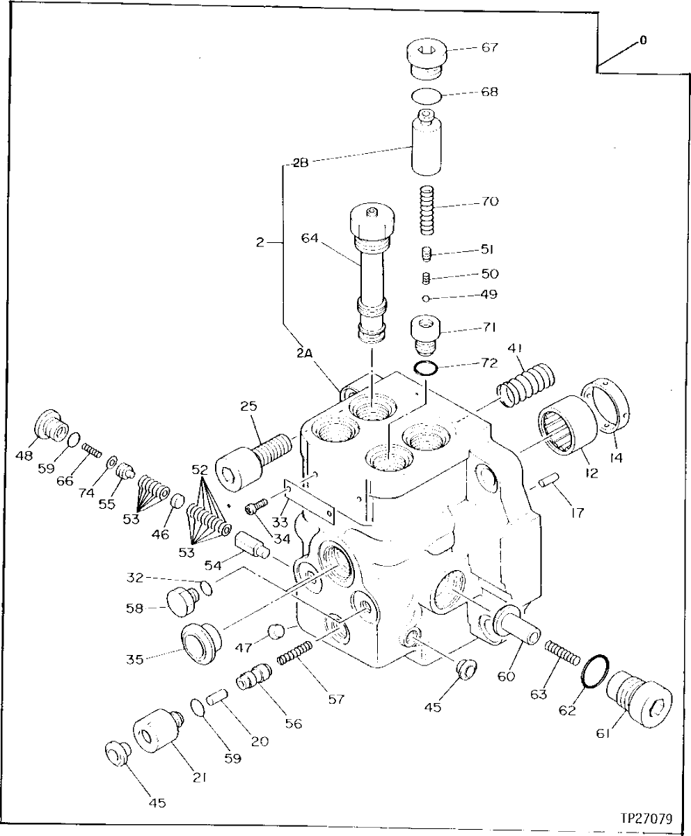
Запчасти John Deere 90D 4 - SWING MOTOR 4360 - SWING, ROTATION OR PIVOTING SYSTEM 43

Схема запчастей John Deere 90D - 4 - SWING MOTOR 4360 - SWING, ROTATION OR PIVOTING SYSTEM 43
FIT
1:1
100%

Артикул

Название

Примечание

Количество

0

TH111898

MOTOR

(SUB FOR TH108286) (SUB AT217312, ALONG WITH TH111890, TH109540, TH100055, T77858, TH110496 AND TH101926) (CONTAINS ALL ITEMS ON THIS PAGE - FOR ADDITIONAL COMPONENTS SEE PREVIOUS PAGE)

1шт.

4224976EX

HYDRAULIC MOTOR REMAN

(REMANUFACTURED) (SUB FOR TH111898) (SUB FOR AT217312) (CONTAINS ALL ITEMS ON THIS PAGE - FOR ADDITIONAL COMPONENTS SEE PREVIOUS PAGE)

1шт.

2

0311302

COVER

(SUB FOR TH109045)

1шт.

COVER

( AT130569 NO LONGER AVAILABLE)

1шт.

2A

COVER

1шт.

2B

PISTON

2шт.

12

TH105723

NEEDLE BEARING

1шт.

14

0311310

BUSHING

37 X 45 X 10 MM (1.457" X 1.772" X 0.394") (SUB FOR TH109053)

1шт.

0224913

BUSHING

(SUB FOR TH105724)

1шт.

17

0311313

PIN

6 X 14.500 MM (0.236" X 0.571") (SUB FOR TH109056)

3шт.

20

44M7027

PIN

8 X 16 MM, (SUB FOR TH109057)

1шт.

21

0311315

PIPE PLUG

(SUB FOR TH109058)

1шт.

25

19M8490

SCREW

M16 X 40, (SUB FOR TH109061)

4шт.

27

0419902

FITTING PLUG

(SUB FOR TH109062) (USE WITH TH108286) (SUB FOR AT201563) (NOT ILLUSTRATED)

1шт.

32

M800650

PACKING

2шт.

33

IDENTIFICATION PLATE

1шт.

34

SCREW

2шт.

35

PLUG

1шт.

Выбрано товаров: 18