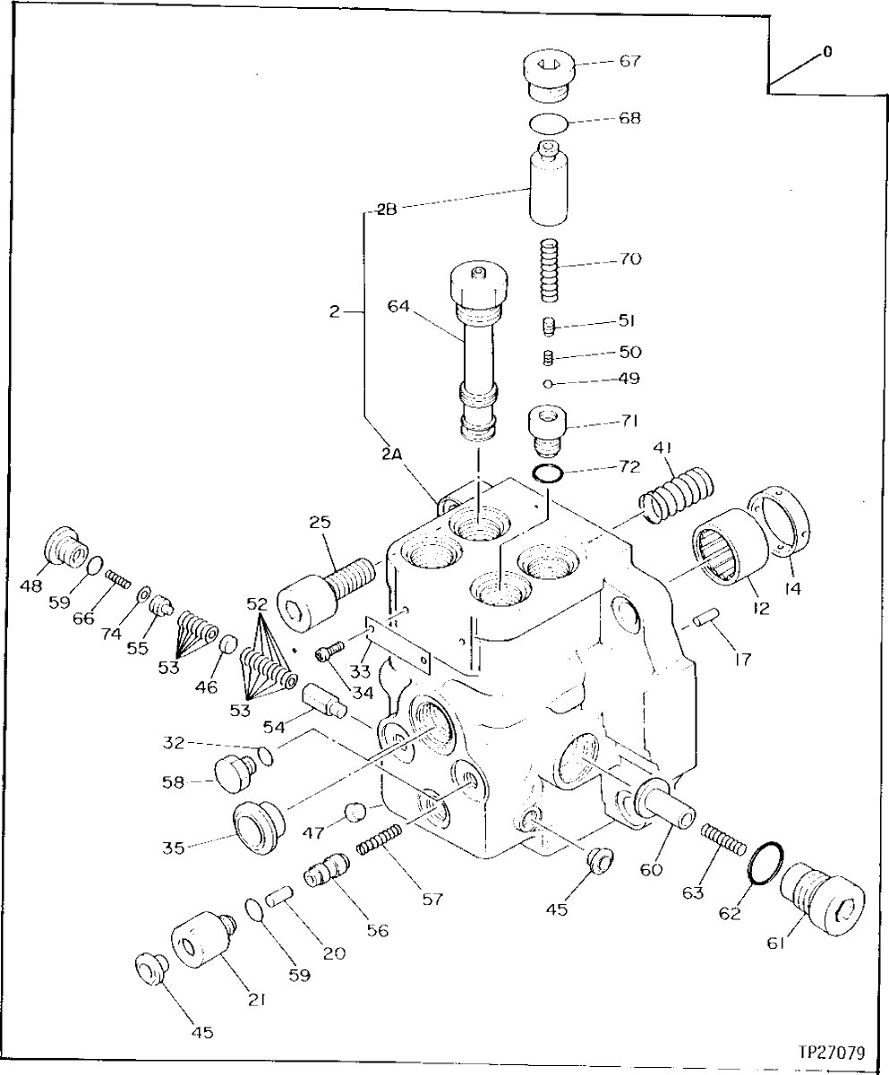
Запчасти John Deere 90D 5A - SWING MOTOR (CONTINUED) 4360 - SWING, ROTATION OR PIVOTING SYSTEM 43

Схема запчастей John Deere 90D - 5A - SWING MOTOR (CONTINUED) 4360 - SWING, ROTATION OR PIVOTING SYSTEM 43
FIT
1:1
100%

Артикул

Название

Примечание

Количество

41

0311325

SPRING

(SUB FOR TH109069)

8шт.

0356705

SPRING

(SUB FOR AT128057)

8шт.

45

PLUG

2шт.

46

0311326

FILTER

(SUB FOR TH109072)

1шт.

47

15H560

PIPE PLUG

1/16"

1шт.

48

94-2011

FITTING PLUG

(SUB FOR TH100434)

3шт.

0356604

PIPE PLUG

(SUB FOR AT128051)

1шт.

49

M40351

BALL

4.763 MM (3/16") (SUB FOR TH109073)

3шт.

M40351

BALL

4.763 MM (3/16") (SUB FOR TH109073)

2шт.

50

0311328

SPRING

(SUB FOR TH109074)

3шт.

0311328

SPRING

(SUB FOR TH109074)

2шт.

51

0311329

GUIDE

(SUB FOR TH109075)

3шт.

0311329

GUIDE

(SUB FOR TH109075)

2шт.

52

0311330

ORIFICE

(SUB FOR TH109076)

5шт.

53

0311331

SHIM

0.500 MM (0.020") (SUB FOR TH109077)

13шт.

54

0311332

HOUSING

(SUB FOR TH109078)

1шт.

0356605

HOUSING

(SUB FOR AT128052)

1шт.

55

0311333

SET SCREW

M10 X 12, (SUB FOR TH109079)

1шт.

0356606

SCREW

M8 X 12, (SUB FOR AT128053)

1шт.

56

0311334

FLOW CONTROL HYD. VALVE

(SUB FOR TH109080)

1шт.

0356607

FLOW CONTROL HYD. VALVE

(SUB FOR AT128054)

1шт.

57

0311335

SPRING

(SUB FOR TH109081)

1шт.

58

0311336

PIPE PLUG

(SUB FOR TH109082)

2шт.

0419902

FITTING PLUG

(SUB FOR TH109062) (SUB FOR AT201563)

2шт.

59

CH11570

O-RING

3шт.

CH11570

O-RING

2шт.

60

0111711

POPPET

(SUB FOR TH102728)

2шт.

61

0224411

FITTING PLUG

(SUB FOR TH102731)

2шт.

62

U17409

O-RING

26.619 X 2.946 MM (1.048" X 0.116") (SUB FOR TH102730)

2шт.

63

0311337

SPRING

(SUB FOR TH109083)

2шт.

64

4206609

PRESSURE RELIEF VALVE

(SUB FOR TH109084)

2шт.

66

0311339

WASHER

3.200 X 6 X 7.500 MM (0.126" X 0.236" X 0.295") (SUB FOR TH109086)

1шт.

0356608

SPRING

(SUB FOR AT128055)

1шт.

67

T64769

DRAIN PLUG

(SUB FOR TH103581)

2шт.

68

U12547

O-RING

23.470 X 2.946 MM (0.924" X 0.116") (SUB FOR TH103582)

2шт.

70

0311340

SPRING

(SUB FOR TH109087)

2шт.

71

0311341

FITTING PLUG

(SUB FOR TH109088)

2шт.

72

4140470

O-RING

12.300 X 2.400 MM (0.484" X 0.094") (SUB FOR TH109089)

2шт.

74

0356609

WASHER

4.300 X 8 X 0.800 MM (0.169" X 0.315" X 0.031") (SUB FOR AT128056)

1шт.

Выбрано товаров: 39