Запчасти John Deere 90D 8 - LOWER ROLLER 130 - TRACKS 1

Схема запчастей John Deere 90D - 8 - LOWER ROLLER 130 - TRACKS 1
FIT
1:1
100%

Артикул

Название

Примечание

Количество

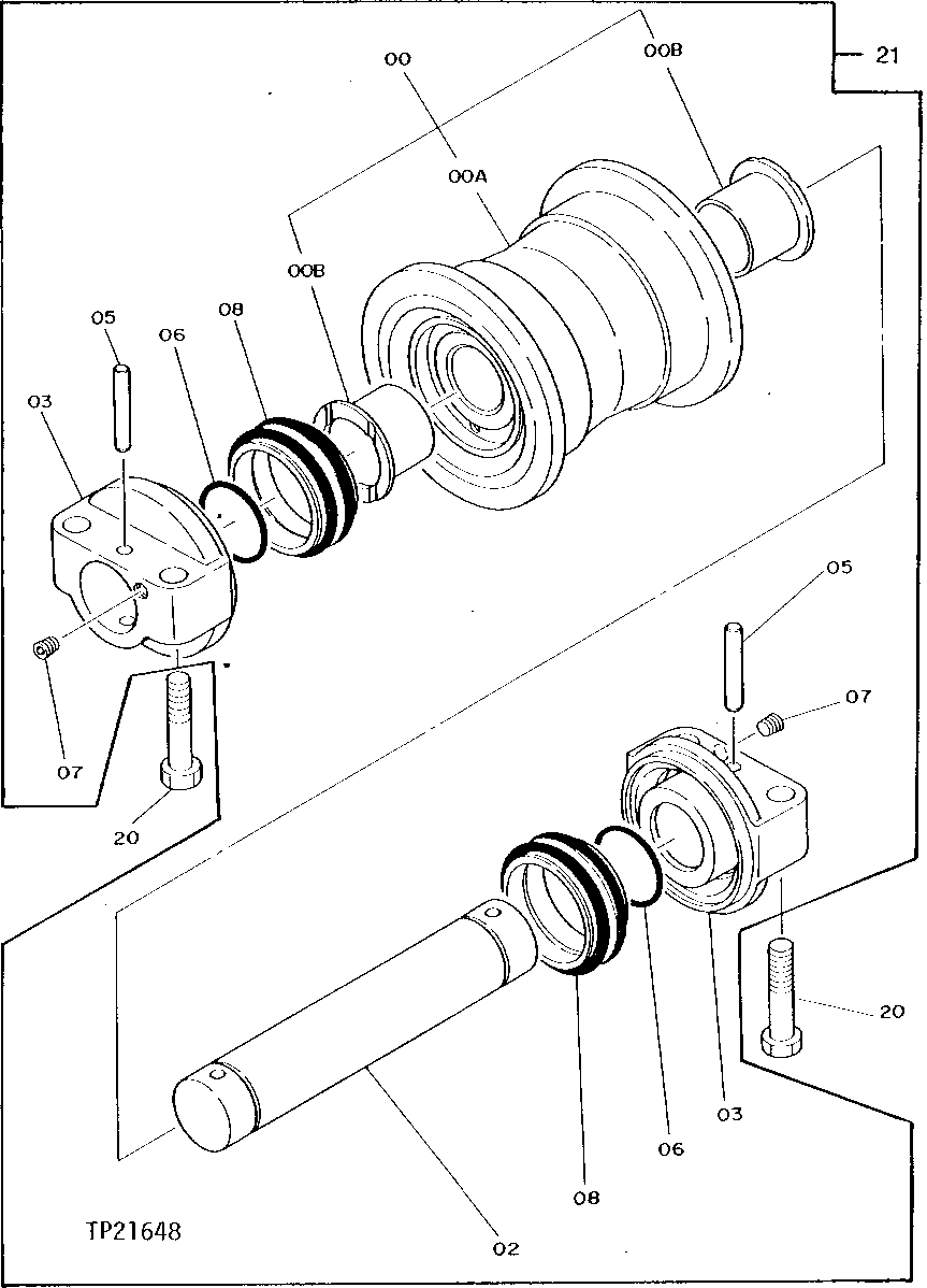
0

ROLLER

( TH108886 NO LONGER AVAILABLE)

1шт.

0A

ROLLER

1шт.

0B

BUSHING

( TH108888 NO LONGER AVAILABLE)

2шт.

2

SHAFT

( TH100437 NO LONGER AVAILABLE)

1шт.

3

BRACKET

( TH108889 NO LONGER AVAILABLE)

2шт.

5

34M7073

SPRING PIN

10 X 65 MM, (SUB FOR TH100440)

2шт.

6

CH13520

PACKING

(SUB FOR TH100409)

2шт.

7

94-2011

FITTING PLUG

(SUB FOR TH100434)

2шт.

8

AT128492

SEAL KIT

(SUB FOR TH100439)

2шт.

20

19M8529

CAP SCREW

M16 X 70

56шт.

21

ROLLER

(SUB 4S00506) (ALSO ORDER (2) 4450537 AND (4) 19M8529) (SUB FOR TH108885 AND 9114615, 9114615-R OR 9198791)

14шт.

4450537

SPACER

2шт.

19M8529

CAP SCREW

M16 X 70

4шт.

Выбрано товаров: 13