Запчасти John Deere 90E 69 - Engine Speed Control Dial 0515 Engine Speed Controls

Схема запчастей John Deere 90E - 69 - Engine Speed Control Dial 0515 Engine Speed Controls
FIT
1:1
100%

Артикул

Название

Примечание

Количество

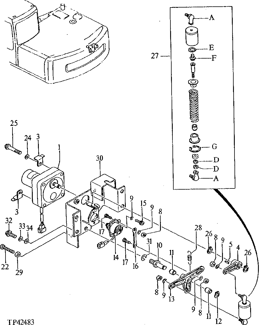
1

4257163

Electric Motor

SUB FOR AT154932

1шт.

3

4257159

Bracket

SUB FOR AT154243

2шт.

4

3051015

Lever

SUB FOR AT154897

1шт.

5

94-2204

Shaft Key

SUB FOR AT155185

1шт.

8

14M7272

Nut

M6

4шт.

9

12M7006

Lock Washer

6 mm

6шт.

10

4257162

Stud

SUB FOR AT154931

1шт.

11

4260781

Bushing

14 X 16 X 15 mm (0.551" X 0.6 30" X 0.591") SUB FOR AT154938

2шт.

12

40M7188

Snap Ring

1шт.

13

2030310

Lever

SUB FOR AT154894

1шт.

14

4257164

Sensor

SUB FOR AT154933 Angle

1шт.

15

19M8553

Screw

M6 X 16

2шт.

16

4254025

Link

SUB FOR AT154927

1шт.

17

4254023

Bolt

M6 X 13 SUB FOR AT154926

2шт.

22

19M7164

Cap Screw

M8 X 50

1шт.

24

12M7066

Lock Washer

10 mm

4шт.

25

19M8499

Cap Screw

M10 X 60

4шт.

26

40M7202

Snap Ring

SUB FOR AT155192

2шт.

27

9095828

Spring Assembly

SUB FOR AT155179

1шт.

27A

4722815

Ball Joint

SUB FOR 4056017 AND TH102073

2шт.

27D

14M7272

Nut

M6

2шт.

27E

12M7006

Lock Washer

6 mm

1шт.

27F

J900614

Bolt

SUB FOR TH104056

1шт.

27G

40M7136

Snap Ring

1шт.

28

4271909

Spring

SUB FOR AT154946

1шт.

29

14M7273

Nut

M8

1шт.

30

7024515

Bracket

SUB FOR AT155150

1шт.

31

12H317

Lock Washer

9/16"

1шт.

32

19M7662

Cap Screw

M10 X 30

4шт.

33

12M7066

Lock Washer

10 mm

4шт.

34

24M7028

Washer

10.500 X 20 X 2 mm

4шт.

Выбрано товаров: 31