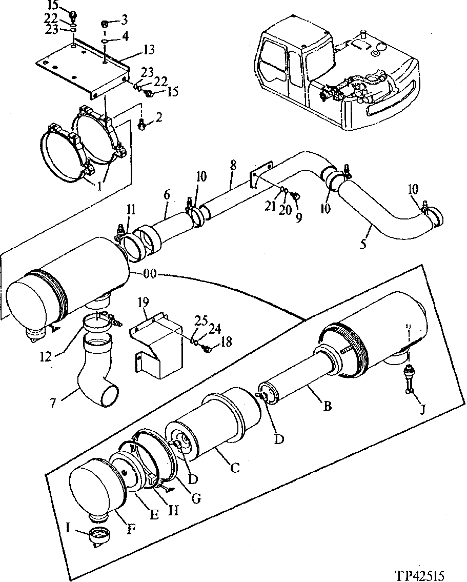
Запчасти John Deere 90E 72 - Air Cleaner Hoses and Bracket 0520 Intake System

Схема запчастей John Deere 90E - 72 - Air Cleaner Hoses and Bracket 0520 Intake System
FIT
1:1
100%

Артикул

Название

Примечание

Количество

0

4282431

Air Cleaner

(SUB FOR AT155618)

1шт.

0B

T138857

Filter Element

1шт.

0C

T46316

Filter Element

1шт.

0D

AH20849

Wing Nut

2шт.

0E

R36698

Cover

1шт.

0F

AT56127

Exhaust Cap

1шт.

0G

AR40146

Clamp

1шт.

0H

H36036

O-Ring

231.648 X 3.556 mm (9.120" X 0.140")

1шт.

0I

R45096

Valve

1шт.

0J

4224238

Indicator

(SUB FOR AT131922)

1шт.

1

AR35435

Clamp

2шт.

2

19M7938

Cap Screw

M10 X 20

4шт.

3

14M7274

Nut

M10

4шт.

4

12M7066

Lock Washer

10 mm

4шт.

5

3058014

Suction Hose

(SUB FOR AT154903)

1шт.

6

4284103

Suction Hose

(SUB FOR AT154971)

1шт.

7

Radiator Hose

( AT154905 OR 3058016 NLA)

1шт.

8

7024931

Line

(SUB FOR AT155151)

1шт.

9

19M7662

Cap Screw

M10 X 30

2шт.

10

AT50923

Hose Clamp

3шт.

11

AT39390

Hose Clamp

(SUB FOR AT53439)

1шт.

12

AT115060

Hose Clamp

1шт.

13

8052190

Bracket

(SUB FOR AT155165)

1шт.

15

19M7662

Cap Screw

M10 X 30

4шт.

18

19M7881

Screw

M8 X 20

5шт.

19

3059301

Cover

(SUB FOR AT154907)

1шт.

20

12M7066

Lock Washer

10 mm

2шт.

21

24M7028

Washer

10.500 X 20 X 2 mm

2шт.

22

12M7058

Lock Washer

12 mm (SUB FOR 12M7067)

4шт.

23

24M7346

Washer

11 X 20 X 2 mm

4шт.

24

12M7056

Lock Washer

8 mm (SUB FOR 12M7065)

5шт.

25

24M7055

Washer

8.400 X 16 X 1.600 mm

5шт.

Выбрано товаров: 32