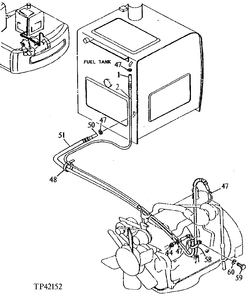
Запчасти John Deere 90E 75 - Fuel Lines ( - 024999) 0560 External Fuel Supply Systems

Схема запчастей John Deere 90E - 75 - Fuel Lines ( - 024999) 0560 External Fuel Supply Systems
FIT
1:1
100%

Артикул

Название

Примечание

Количество

1

Hose

(CTL FROM M87571BULK MATERIAL)

1шт.

2

Conduit

(CTL FROM T83427 BULK MATERIAL)

1шт.

44

R67293

Fitting

(SUB FOR TH100897)

1шт.

47

TY22464

Clamp

(SUB FOR AT145649) (SUB FOR AR21836)

4шт.

48

H77698

Tie Band

5шт.

50

Hose

(CTL FROM M87571 BULK MATERIAL)

1шт.

51

Conduit

(CTL FROM T83427 BULK MATERIAL)

1шт.

58

R50454

Clamp

(SUB FOR TH109445 OR 4192034)

1шт.

59

19M7938

Cap Screw

M10 X 20

1шт.

60

12M7066

Lock Washer

10 mm

1шт.

Выбрано товаров: 10