Запчасти John Deere 90E 78 - Labels and Decals ( - 020404) 1320 Vehicle Finish & Trim

Схема запчастей John Deere 90E - 78 - Labels and Decals ( - 020404) 1320 Vehicle Finish & Trim
FIT
1:1
100%

Артикул

Название

Примечание

Количество

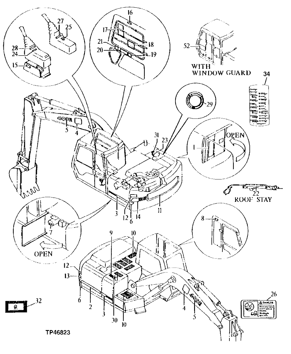
1

T148311

Label

(SUB FOR T114396) Periodic Maintenance

1шт.

2

T138876

Label

(STRIPE ON FENDER)

2шт.

3

T138875

Label

(BLACK STRIPE W/ STROB)

2шт.

4

JD5626

Label

Leaping Deer

2шт.

5

1017454

Label

(SUB FOR T114390) Model Designation

2шт.

6

T138890

Label

Stripe

2шт.

7

R56902

Label

(AIR CLEANER)

1шт.

T128280

Label

(K2) (AIR CLEANER) French

1шт.

T128279

Label

(K3) (AIR CLEANER) Spanish

1шт.

8

T146664

Safety Sign

(SUB FOR TH111901) (WINDOW LOCK INSIDE CAB)

1шт.

T148909

Safety Sign

(K2) (WINDOW LOCK INSIDE CAB) French

1шт.

T148904

Safety Sign

(K3) (WINDOW LOCK INSIDE CAB) Spanish

1шт.

9

4121128

Mat

(SUB FOR TH106654) (ANTI-SKID TAPE)

1шт.

10

H21259

Mat

(CLEAT, OPERATOR DECK)

8шт.

11

JD5651

Label

John Deere

1шт.

12

T145893

Safety Sign

(SUB FOR T114398) Stay Clear

2шт.

T153426

Label

(K2) Stay Clear French

1шт.

T153399

Label

(K3) Stay Clear Spanish

1шт.

13

T139664

Label

Counterweight Right Side

1шт.

14

T139663

Label

Counterweight Left Side

1шт.

15

4299059

Label

(SUB FOR T138886) Hydraulic Lockout

1шт.

16

T146668

Safety Sign

(SUB FOR T114389) (WARNING WINDOW BAR)

1шт.

T148908

Safety Sign

(K2) (WARNING WINDOW BAR) French

1шт.

T148905

Safety Sign

(K3) (WARNING WINDOW BAR) Spanish

1шт.

17

2033492

Label

(SUB FOR T138841) Lift Capacity

1шт.

T153572

Label

(K2) Lift Capacity French

1шт.

T153557

Label

(K3) Lift Capacity Spanish

1шт.

18

2034293

Label

(SUB FOR T138851) (START-STOP OPERATION)

1шт.

T153571

Label

(K2) (START-STOP OPERATION) French

1шт.

T153559

Label

(K3) (START-STOP OPERATION) Spanish

1шт.

19

T146667

Safety Sign

(SUB FOR T114392) (DAN GER ELECTRICAL HAZARD)

1шт.

T148910

Safety Sign

(K2) (DANGER ELECTRICAL HAZARD) French

1шт.

T148906

Safety Sign

(K3) (DANGER ELECTRICAL HAZARD) Spanish

1шт.

20

T146666

Safety Sign

(SUB FOR T138835) Caution

1шт.

T148911

Safety Sign

(K2) Caution French

1шт.

T148907

Safety Sign

(K3) Caution Spanish

1шт.

21

T149434

Label

Important Auxiliary EL ECTRIC HAND CONTROLLER

1шт.

22

4289908

Label

(SUB FOR AT155731) (CAB ROOF DOOR ARROW)

1шт.

23

P63448

Label

(SUB FOR AT155733) (PUMP BLEED)

1шт.

24

4288971

Label

(SUB FOR AT155729) (ET HER AID/MOTION CANCEL)

1шт.

25

4264805

Label

(SUB FOR AT155730) Ignition Switch

1шт.

26

T146102

Label

(SUB FOR T146102 OR T146102) Bypass Start

1шт.

T146104

Safety Sign

(K2) Bypass Start French

1шт.

T146106

Safety Sign

(K3) Bypass Start Spanish

1шт.

Выбрано товаров: 44