Запчасти John Deere 90E 79 - Labels and Decals ( - 020404) 1320 Vehicle Finish & Trim

Схема запчастей John Deere 90E - 79 - Labels and Decals ( - 020404) 1320 Vehicle Finish & Trim
FIT
1:1
100%

Артикул

Название

Примечание

Количество

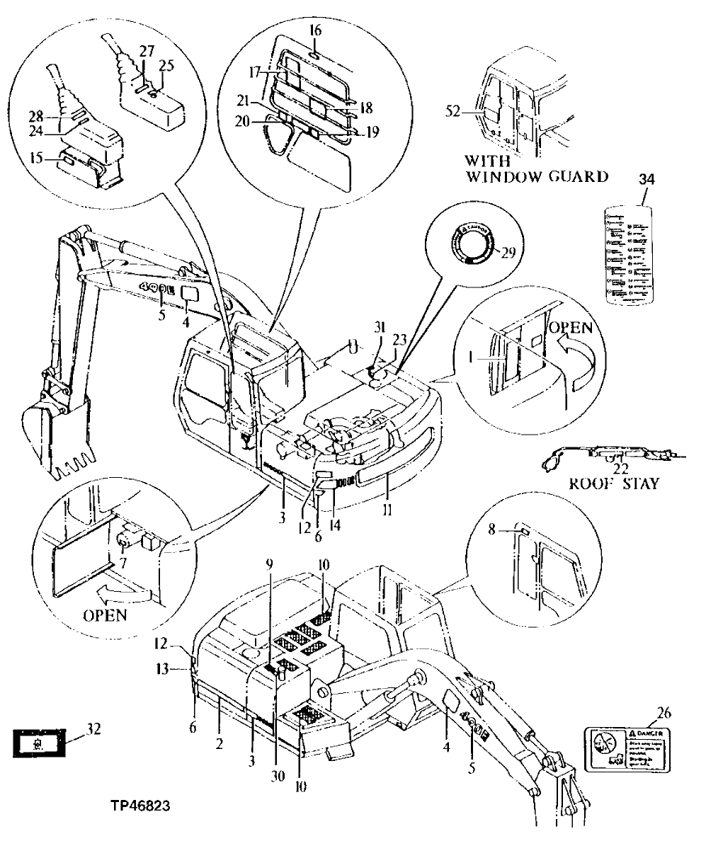
27

TH103404

Label

Right Control Lever SAE Pattern White Background

1шт.

T159843

Label

(SUB FOR TH103406) Right Control Leve r John Deere Pattern Yellow Background

1шт.

28

TH103405

Label

Left Control Lever SAE Pattern White Background

1шт.

T159844

Label

(SUB FOR TH101630) Left Control Leve r John Deere Pattern Yellow Background

1шт.

29

T146670

Label

(SUB FOR (2) T146671) Hydraulic Reservoir Cap

2шт.

T153423

Label

(K2) Hydraulic Reservoir Cap French

1шт.

T153397

Label

(K3) Hydraulic Reservoir Cap Spanish

1шт.

30

T79632

Label

Diesel Only

1шт.

T114681

Label

(K2) Diesel Only French

1шт.

T127575

Label

(K3) Diesel Only Spanish

1шт.

31

T101942

Label

Hydraulic Oil

1шт.

T102618

Label

(K2) Hydraulic Oil French

1шт.

T102620

Label

(K3) Hydraulic Oil Spanish

1шт.

32

T153187

Label

Amber (HYDRAULIC FILTER RESTRICTION IN DICATOR) (SUB FOR T143272 CLEAR LABEL)

1шт.

33

4295579

Tape

(SUB FOR AT166677) Black Not Illustrated

1шт.

34

T153574

Label

(K2) Fuse Box Cover French

1шт.

T153564

Label

1шт.

35

T143312

Label

(K2) (IMPORTANT ACCESSORY CIR CUIT) French Not Illustrated

1шт.

T143313

Label

(K3) (IMPORTANT ACCESSORY CIR CUIT) Spanish Not Illustrated

1шт.

36

T143314

Label

(K2) (IMPORTANT TRUCK UNLOA DING) French Not Illustrated

1шт.

T143315

Label

(K3) (IMPORTANT TRUCK UNLOAD ING) Spanish Not Illustrated

1шт.

52

AT152168

Label

(SUB FOR T144115) (VANDAL COVER LOCATIONS)

1шт.

Выбрано товаров: 22