Запчасти John Deere 90E 81 - Labels and Decals (020405 - ) 1320 Vehicle Finish & Trim

Схема запчастей John Deere 90E - 81 - Labels and Decals (020405 - ) 1320 Vehicle Finish & Trim
FIT
1:1
100%

Артикул

Название

Примечание

Количество

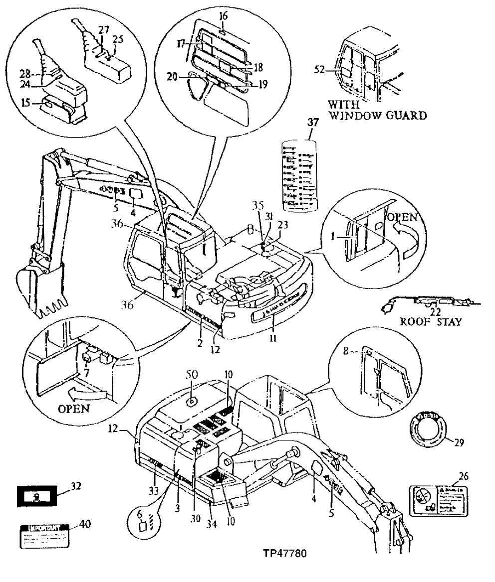
26

T146102

Label

(K) Bypass Start

1шт.

T146104

Safety Sign

(K2) Bypass Start French

1шт.

T146106

Safety Sign

(K3) Bypass Start Spanish

1шт.

27

TH103404

Label

Right Control Lever SAE Pattern White Background

1шт.

T159843

Label

Right Control Lever John Dee re Pattern Yellow Background

1шт.

28

TH103405

Label

Left Control Lever SAE Pattern White Background

1шт.

T159844

Label

(SUB FOR TH101630) Left Control Leve r John Deere Pattern Yellow Background

1шт.

29

T146670

Label

(K) Hydraulic Reservoir Cap

2шт.

T153423

Label

Hydraulic Reservoir Cap French

1шт.

T153397

Label

Hydraulic Reservoir Cap Spanish

1шт.

30

T79632

Label

(K) Diesel Only

1шт.

T114681

Label

(K2) Diesel Only French

1шт.

T127575

Label

(K3) Diesel Only Spanish

1шт.

31

T101942

Label

(K) Hydraulic Oil

1шт.

T102618

Label

(K2) Hydraulic Oil French

1шт.

T102620

Label

(K3) Hydraulic Oil Spanish

1шт.

32

T153187

Label

Amber (HYDRAULIC FILTER RESTRICTION IN DICATOR) (SUB FOR T143272 CLEAR LABEL)

1шт.

33

T146527

Label

(K) (JOHN STRIPE RIGHT SIDE)

1шт.

34

T146684

Label

(K) (SUB FOR T146529) (STRIPE RIGHT SIDE)

1шт.

35

T146671

Safety Sign

(K) Radiator Cap

1шт.

T153424

Label

(K2) Radiator Cap French

1шт.

T153396

Safety Sign

(K3) Radiator Cap Spanish

1шт.

36

T119535

Label

(K) Bumper

2шт.

37

T153574

Label

(K2) Fuse Box Cover French

1шт.

T153564

Label

(K3) Fuse Box Cover Spanish

1шт.

40

T387695X19

Label

(SUB FOR T190393 AND T157809) Important Break Window For Secondary Exit English

1шт.

T387695X28

Label

(SUB FOR T222927 AND T158201) (K2) Import ant Break Window For Secondary Exit French

1шт.

T387695X63

Label

(SUB FOR T222928 AND T158199) (K3) Import ant Break Window For Secondary Exit Spanish

1шт.

50

T152657

Safety Sign

(K) Radiator

1шт.

T153621

Label

(K2) Radiator French

1шт.

T153619

Label

(K3) Radiator Spanish

1шт.

52

AT152168

Label

(SUB FOR T144115) (VANDAL COVER LOCATIONS)

1шт.

53

T143312

Label

(K2) (IMPORTANT - ACCESSORY CIR CUIT - FRENCH) (NOT ILLUSTRATED)

1шт.

T143313

Label

(K3) (IMPORTANT ACCESSORY CIR CUIT) Spanish Not Illustrated

1шт.

54

T143314

Label

(K2) (IMPORTANT TRUCK UNLOAD ING) French Not Illustrated

1шт.

T143315

Label

(K3) (IMPORTANT TRUCK UNLOAD ING) Spanish Not Illustrated

1шт.

Выбрано товаров: 36