Запчасти John Deere 90E 89 - Battery and Cables 1674 Wiring Harness And Switches

Схема запчастей John Deere 90E - 89 - Battery and Cables 1674 Wiring Harness And Switches
FIT
1:1
100%

Артикул

Название

Примечание

Количество

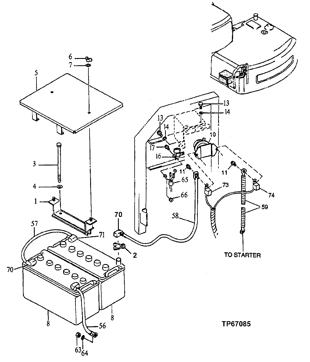
1

8052133

Bracket

SUB FOR AT154237

1шт.

2

AT219485

Clamp

BATTERY TERMINAL CLAMPS

4шт.

3

19M7965

Cap Screw

M10 X 240

2шт.

4

12M7066

Lock Washer

10 mm

2шт.

5

7024843

Cover

SUB FOR AT154474

1шт.

6

14M7025

Wing Nut

M10

2шт.

7

24M7028

Washer

10.500 X 20 X 2 mm

2шт.

8

TY21741

Dry Charged Battery

2шт.

10

8943795431

Relay

SUB FOR 4255762 AND AT154229 Battery

1шт.

11

21M7288

Screw

M6 X 10

2шт.

13

19M7932

Cap Screw

M8 X 16

3шт.

14

24M7055

Washer

8.400 X 16 X 1.600 mm

3шт.

16

AT145341

Relay

Starter

1шт.

14M7165

Lock Nut

M6 STARTER RELAY TERMINALS

2шт.

17

19M7077

Cap Screw

M6 X 20

2шт.

56

AR45925

Battery Cable

1шт.

57

AT53497

Cable

508 mm (20") ALSO ORDER T10 7114, T107115 AND (2) R44302

1шт.

R44302

Tie Band

Not Illustrated

2шт.

58

AT35332

Battery Cable

508 mm (20") ALSO ORDER T107114 AND R44302

1шт.

R44302

Tie Band

Not Illustrated

1шт.

59

4284908

Wiring Harness

SUB FOR AT154255

1шт.

63

14M7274

Nut

M10

1шт.

64

12M7066

Lock Washer

10 mm

1шт.

65

4448296

Wiring Harness

SUB FOR AT155617

1шт.

66

14M7272

Nut

M6

2шт.

70

T107114

Cover

2шт.

71

T107115

Cover

1шт.

73

4270554

Fuse

40A, SUB FOR AT160982, FUSE ABLE LINK FOR BATTERY Green

1шт.

74

4270555

Fuse

50A , SUB FOR AT160983, FUSEABLE LINK FOR STARTER

1шт.

Выбрано товаров: 29