Запчасти John Deere 90E 96 - Relay 1674 Wiring Harness And Switches

Схема запчастей John Deere 90E - 96 - Relay 1674 Wiring Harness And Switches
FIT
1:1
100%

Артикул

Название

Примечание

Количество

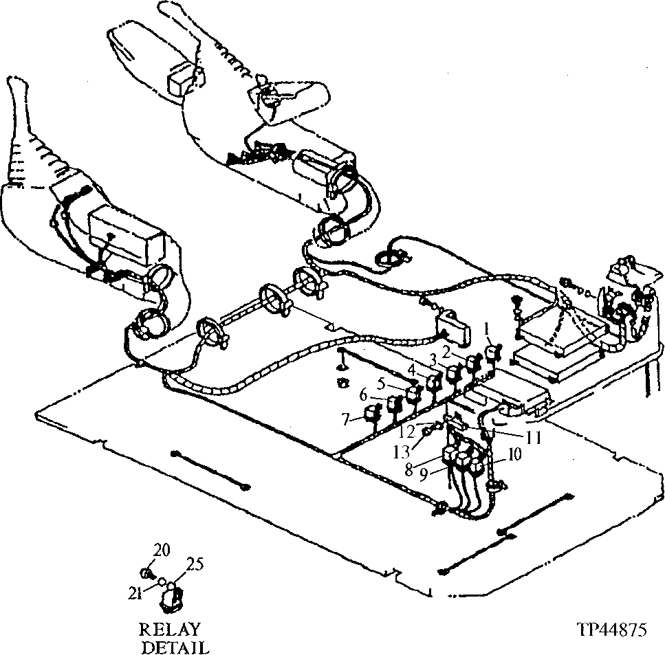
1

4251588

Relay

(SUB FOR AT154924) (WINDSHIELD WIPER)

1шт.

2

4251588

Relay

(SUB FOR AT154924) Pump Control

1шт.

3

4251588

Relay

(SUB FOR AT154924) Load Dump

1шт.

4

4251588

Relay

(SUB FOR AT154924) Horn

1шт.

5

4251588

Relay

(SUB FOR AT154924) (WINDSHIELD WASHER)

1шт.

6

4251588

Relay

(SUB FOR AT154924) Drive Lights

1шт.

7

4251588

Relay

(SUB FOR AT154924) Work Lights

1шт.

8

4251588

Relay

(SUB FOR AT154924) Engine Control Motor

1шт.

9

4251588

Relay

(SUB FOR AT154924) Safety

1шт.

10

4251588

Relay

(SUB FOR AT154924) Start Aid

1шт.

11

4191772

Resistor

(SUB FOR AT155250) (EXITATION) ALTERNATOR

1шт.

12

12H315

Lock Washer

0.164" (SUB FOR 12M7063)

1шт.

13

4204811

Screw

(SUB FOR AT155253)

1шт.

20

19M8425

Cap Screw

M6 X 16

10шт.

21

12M7006

Lock Washer

6 mm

10шт.

25

24M7293

Washer

6.500 X 13 X 1.600 mm

11шт.

Выбрано товаров: 16