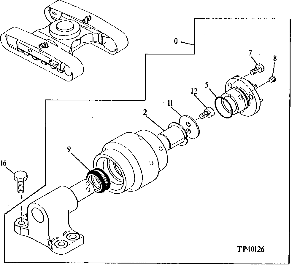
Запчасти John Deere 90E 3 - Upper Roller 0130 Track Systems

Схема запчастей John Deere 90E - 3 - Upper Roller 0130 Track Systems
FIT
1:1
100%

Артикул

Название

Примечание

Количество

0

AT316100

Carrier Roller

(SUB FOR AT154514 AND AP34654)

2шт.

2

Bushing

(SUB FOR TH108881) (USE WITH AT154514 ) (SUB FOR AT167822) ( 4327613 NSEP)

1шт.

AT180380

Bushing

(USE W/ AT316100)

1шт.

5

CH11436

O-Ring

(USE WITH AT154514)

1шт.

AT180381

O-Ring

(USE W/ AT316100)

1шт.

7

19M7938

Cap Screw

M10 X 20

3шт.

8

942011

Fitting Plug

(SUB FOR 94-2011 AND TH100434)

1шт.

9

TH100452

Seal

(USE W/ AT154514)

1шт.

AT180383

Seal

(USE W/ AT316100)

1шт.

11

Washer

(USE WITH AT154514) (SUB FO R AT131371) ( 4282841 NSEP)

1шт.

AT180449

Washer

(USE W/ AT316100)

1шт.

12

M351018

Bolt

M10 X 18 (SUB FOR AT131372)

2шт.

16

19M7403

Cap Screw

M12 X 35

8шт.

Выбрано товаров: 13