Качественные детали и логистика
Оригинальные и аналоговые запчасти с доставкой по России, Казахстану и Беларуси
©2022 PartSell ООО "Система" ИНН 2463123282 ОГРН 1212400004838
Центральный офис: г. Красноярск, Академика Киренского, д.87, пом.4
Телефон: 8 (800) 777-65-74 Email: zakaz@partsell.ru
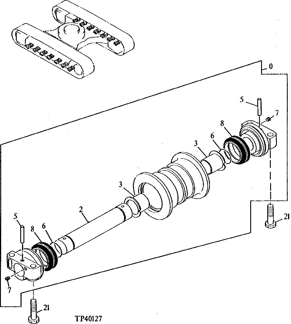
4 - Lower Roller
№
Артикул
Название
Примечание
Количество
0
AT316099
Bottom Roller
SUB FOR AT154517, AT163 887, AT166891 OR AP34655
14шт.
SUB FOR AT166891 OR AP34655
2
Shaft
TH100437 NLA
1шт.
3
Bushing
SUB FOR AT154103, 3050414 NSEP
2шт.
5
34M7073
Spring Pin
10 X 65 mm
6
CH13520
Packing
7
942011
Fitting Plug
SUB FOR 94-2011 AND TH100434
8
AT128492
Seal Kit
21
19M8529
Cap Screw
M16 X 70
56шт.
Выбрано товаров: 0