Запчасти John Deere 90E 5 - Lower Roller 0130 Track Systems

Схема запчастей John Deere 90E - 5 - Lower Roller 0130 Track Systems
FIT
1:1
100%

Артикул

Название

Примечание

Количество

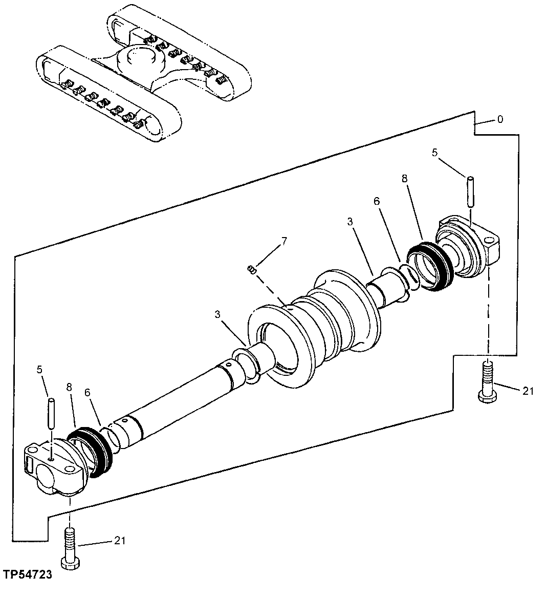
0

AT316099

Bottom Roller

(SUB FOR AP34655)

14шт.

3

AT180375

Bushing

2шт.

5

4150683

Pin

(SUB FOR AT130376)

2шт.

6

T212062

O-Ring

(SUB FOR AT180377)

2шт.

7

AT180378

Fitting Plug

1шт.

8

AT180379

Seal

2шт.

21

19M8529

Cap Screw

M16 X 70

56шт.

Выбрано товаров: 7