Запчасти John Deere 90E 167 - Main Hydraulic Pump ( - 024999) 2160 Vehicle Hydraulics

Схема запчастей John Deere 90E - 167 - Main Hydraulic Pump ( - 024999) 2160 Vehicle Hydraulics
FIT
1:1
100%

Артикул

Название

Примечание

Количество

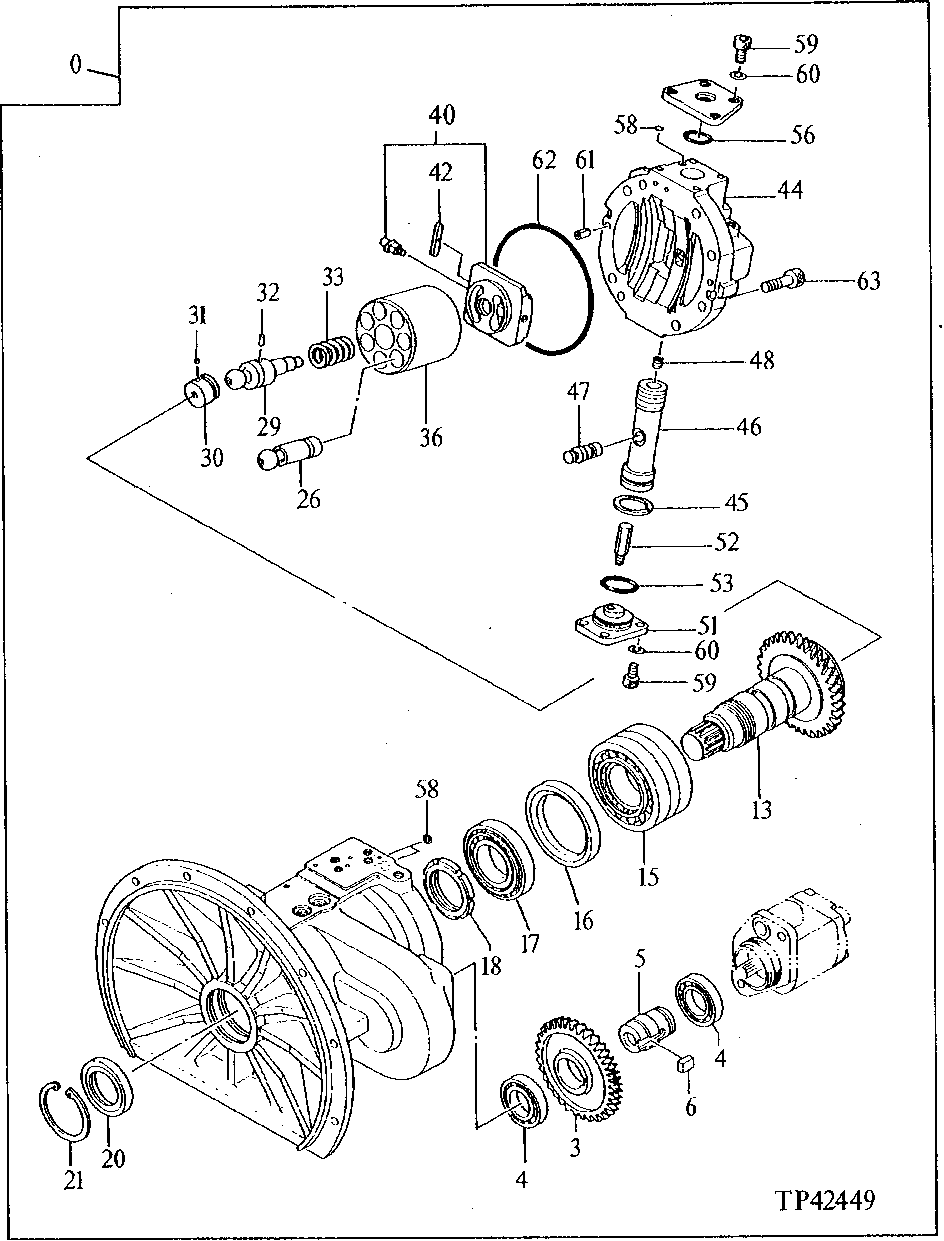
0

AT154537

Pump

NLA, (ORDER AT217316)

1шт.

AT217316

Pump

NLA, (ORDER 9107253EX)

1шт.

9107253

Pump

NLA, (ORDER 9107253EX)

1шт.

9107253EX

Hydraulic Pump Reman

(REMAN FOR AT154537 OR 9107253) (SUB F OR AT217316) (ALSO ORDER 4239375 (INCLU DES ALL PARTS SHOWN ON THIS PAGE - FOR ADDITIONAL COMPONENTS SEE PREVIOUS PAGE ))

1шт.

3

3051201

Gear

(SUB FOR AT154114)

1шт.

4

JD8514

Ball Bearing

2шт.

5

3046466

Shaft

(SUB FOR AT154092)

1шт.

6

4118495

Key

(SUB FOR TH101802)

1шт.

13

1016012

Disk

(SUB FOR AT154057)

1шт.

15

TH109868

Tapered Roller Bearing

1шт.

16

4339171

Ring

(SUB FOR AT154163 OR AT202467)

1шт.

17

CH16496

Tapered Roller Bearing

1шт.

18

4178173

Nut

(SUB FOR T107755)

1шт.

20

4260561

Seal

(SUB FOR AT154282)

1шт.

21

4116290

Snap Ring

(SUB FOR TH111929)

1шт.

26

8043698

Piston

(SUB FOR AT154477)

7шт.

29

4233180

Shaft

(SUB FOR AT154165)

1шт.

30

4233181

Holder

(SUB FOR AT154166)

1шт.

31

L38718

Ball

1шт.

32

4198956

Pin Fastener

(SUB FOR T107766)

1шт.

33

4248499

Compression Spring

(SUB FOR AT154188)

1шт.

36

2027277

Rotor

(SUB FOR AT154064)

1шт.

40

Valve

(SUB AT165159) ( AT158338 NLA)

1шт.

9128379

Flow Control Hyd. Valve

(SUB FOR AT165159)

1шт.

42

Seal

( AT154157 NLA) (SUB AT 165159) Valve Assembly

1шт.

44

1016614

Cylinder Head

(SUB FOR AT154062)

1шт.

45

4272674

Piston Ring

(SUB FOR AT154320)

1шт.

46

3055313

Piston

(SUB FOR AT154134)

1шт.

47

4260211

Pin

(SUB FOR AT154273)

1шт.

48

4179838

Set Screw

(SUB FOR TH109881)

1шт.

51

4260500

Stop

(SUB FOR AT154281)

1шт.

52

4260493

Stop

(SUB FOR AT154280)

1шт.

53

992444

O-Ring

(SUB FOR TH108863, 4509931)

1шт.

56

4260309

O-Ring

(SUB FOR AT154274)

1шт.

58

4317636

O-Ring

(SUB FOR TH106280, THIS APP LICATION) (SUB FOR AT202454)

3шт.

59

19M8446

Screw

M8 X 20

8шт.

60

12M7056

Lock Washer

8 mm (SUB FOR 12M7065)

8шт.

61

34M7061

Spring Pin

8 X 20 mm

2шт.

62

4241389

O-Ring

(SUB FOR AT154172)

1шт.

63

19M8341

Screw

M12 X 45

8шт.

Выбрано товаров: 0