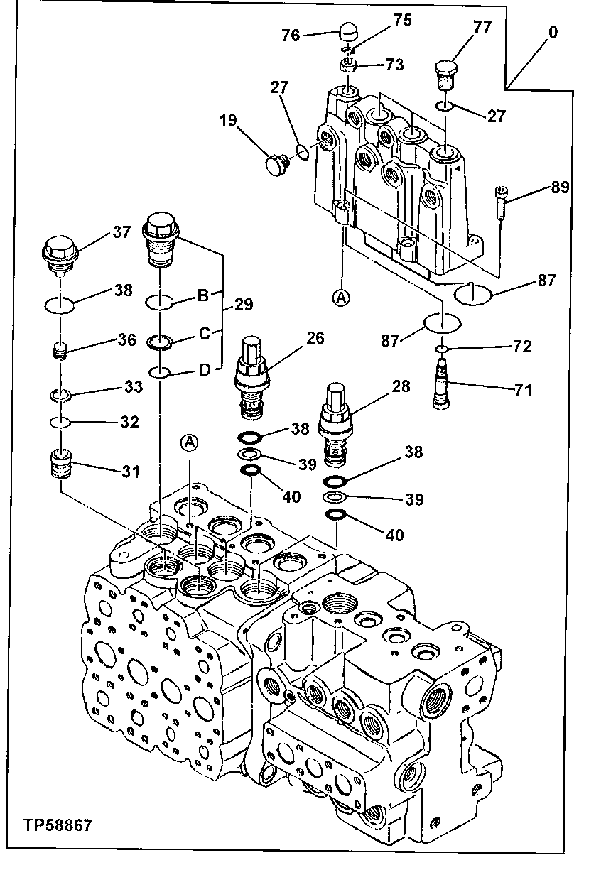
Запчасти John Deere 90E 183 - Control Valve 2160 Vehicle Hydraulics

Схема запчастей John Deere 90E - 183 - Control Valve 2160 Vehicle Hydraulics
FIT
1:1
100%

Артикул

Название

Примечание

Количество

0

4304905

Control Valve

(CONTAINS ALL ITEMS ON THIS PAGE ADDITION AL COMPONENTS LISTED ON PREVIOUS AND FOLLO WING PAGES) (SUB FOR AT158386 AND AT186748 )

1шт.

4340052

Hyd Actuated Control Valve

(CONTAINS ALL ITEMS ON THIS PAGE ADDITION AL COMPONENTS LISTED ON PREVIOUS AND FOLLO WING PAGES) (SUB FOR AT202469 AND AT186094 )

1шт.

19

0218608

Drain Plug

(SUB FOR TH110243)

1шт.

26

9200504

Pressure Relief Valve

(SUB FOR AT155692 OR 4261539)

2шт.

27

CH11570

O-Ring

4шт.

28

9200502

Mounting Parts

(SUB FOR AT154022) (SUB FOR 0412207)

1шт.

29

0309461

Plug

(SUB FOR TH109201)

1шт.

29B

AT264347

O-Ring

(SUB FOR TH100136, 4506428)

1шт.

29C

4027959

Back-Up Ring

(USE IF AVAILABLE) (SUB FOR AT15399 4) (SUB TH100771) (SUB FOR AT134327)

1шт.

4027959

Back-Up Ring

(SUB FOR TH100771)

1шт.

29D

CH12329

Packing

1шт.

31

0412208

Flow Control Hyd. Valve

(SUB FOR AT155589)

2шт.

32

4366521

O-Ring

(SUB FOR AT154024) (SUB FOR TH109041 (SUB FOR 4153098, OR 0818008 THIS APPLICATION)

2шт.

33

0412211

Back-Up Ring

(SUB FOR AT154025)

2шт.

36

0412212

Spring

(SUB FOR AT154026)

2шт.

37

0412213

Fitting

(SUB FOR AT154027)

2шт.

38

AT264347

O-Ring

(SUB FOR TH100136, 4506428)

5шт.

39

4027959

Back-Up Ring

(SUB FOR TH100771)

3шт.

40

CH12329

Packing

2шт.

71

0412201

Screw

(SUB FOR AT154016)

1шт.

72

CH11569

Packing

1шт.

73

0412202

Nut

(SUB FOR AT154017)

1шт.

75

CH11490

Ring

(SUB FOR AT154018)

1шт.

76

0412204

Cap

(SUB FOR AT154019)

1шт.

77

0332914

Drain Plug

(SUB FOR TH109206) (SUB FOR TH110315)

3шт.

87

R67590

O-Ring

(SUB FOR AT153978)

4шт.

89

19M8735

Screw

M8 X 30 (SUB FOR AT153964)

5шт.

Выбрано товаров: 27