Запчасти John Deere 90E 195 - Heavy Duty Bucket 3302 Bucket With Teeth

Схема запчастей John Deere 90E - 195 - Heavy Duty Bucket 3302 Bucket With Teeth
FIT
1:1
100%

Артикул

Название

Примечание

Количество

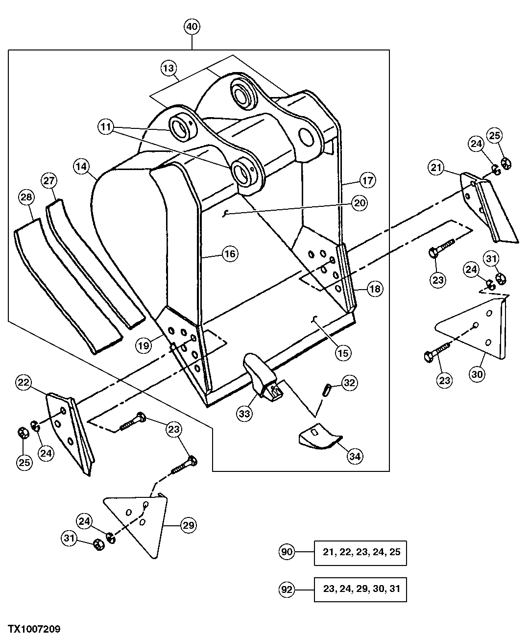
11

TH108649

Bushing

2шт.

13

C610778

Pivot

(F) Bucket Ear Blank Assembly

1шт.

14

607048

Plate

(F) (RH/LH)

2шт.

15

AT131081

Dura-Max Cutting Edge

(CTL)

1шт.

16

304960

Vertical Cutter

(F) (UPPER) (RH)

1шт.

17

304961

Vertical Cutter

(F) (UPPER) (LH)

1шт.

18

304968

Vertical Cutter

(F) (LH)

1шт.

19

304967

Vertical Cutter

(F) (RH)

1шт.

20

604650

Moldboard

(F) 24in. , Bucket

1шт.

604652

Moldboard

(F) 30in. , Bucket

1шт.

604653

Moldboard

(F) 36in. , Bucket

1шт.

21

Cutting Edge

(SUB AT131080)

1шт.

22

Cutting Edge

(SUB AT131080)

1шт.

23

09H1770

Bolt

7/8" X 2-1/2"

6шт.

24

12H245

Lock Washer

7/8"

6шт.

25

14H1077

Nut

7/8"

6шт.

27

304966

Bar

(F) Inner Wear

1шт.

28

306618

Bar

(F) Outer Wear

2шт.

29

Shroud

(SUB AT167874) Wear

1шт.

30

Shroud

(SUB AT167874) Wear

1шт.

31

14H1044

Nut

7/8"

6шт.

32

TP160L

Spring Pin

1шт.

33

T109X220

Bucket Tooth Adapter

1шт.

34

TF220

Tooth

1шт.

40

Excavator Bucket

24in. .50yd³ , (SUB FOR AT163577) (SU B AT339031) ( AT332661 NLA) (4 TEETH)

1шт.

Excavator Bucket

30in. .64yd³ , (SUB FOR AT163578) (SU B AT339033) ( AT332662 NLA) (4 TEETH)

1шт.

Excavator Bucket

36in. .78yd³ , (SUB FOR AT163579) (SU B AT339035) ( AT332663 NLA) (5 TEETH)

1шт.

90

Kit

( AT131080 NLA) (WOODS-CENT RAL FABRICATORS NO. C20338)

1шт.

92

Kit

( AT167874 NLA) (WOODS-CENT RAL FABRICATORS NO. C28357)

1шт.

Выбрано товаров: 29