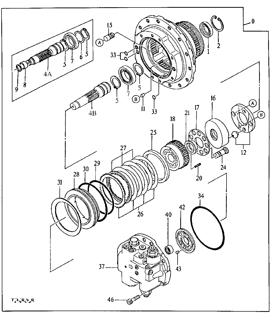
Запчасти John Deere 90E 11 - Travel Motor ( - 024999) 0260 Axles, Diff. & Susp. Sys. Hyd. (Incl. Fwd)

Схема запчастей John Deere 90E - 11 - Travel Motor ( - 024999) 0260 Axles, Diff. & Susp. Sys. Hyd. (Incl. Fwd)
FIT
1:1
100%

Артикул

Название

Примечание

Количество

0

9116384EX

Hydraulic Motor

(REMAN) (SUB FOR AT158390 AND AT159497) (SUB FOR AT217313)

1шт.

1

4613831

Seal

(SUB FOR AT154154 OR 4212841)

1шт.

2

40M7090

Snap Ring

1шт.

4A

Shaft

AT154096 NLA , (SUB AT202413 (USE FOR TH E FOLLOWING SERIAL NUMBERS: -020858, 02086 0, 020861 LEFT BRAKE VALVE ONLY, 020868, 0 20873, 020874, 020879, 020889-020892, 0208 95, 020897, 020901-020908, 020911-024999))

1шт.

4B

3063718

Shaft

(SUB FOR AT202413) (USE FOR THE FOLLOWI NG SERIAL NUMBERS: 020859, 020861 RIGHT BRAKE VALVE ONLY, 020862-020867, 020869- 020872, 020874 LEFT BRAKE VALVE ONLY, 02 0875-020878, 020880-020888, 020893-02089 4, 020896, 020898-020900, 020909-020910)

1шт.

5

40M7047

Snap Ring

2шт.

6

4251146

Plate

(SUB FOR AT154195) (USE FOR THE FOLLOW ING SERIAL NUMBERS: -020858, 020860, 02 0861 LEFT BRAKE VALVE ONLY, 020868, 020 873, 020874, 020879, 020889-020892, 020 895, 020897, 020901-020908, 020911-0249 99)

1шт.

7

4343872

Cylindrical Roller Bearing

(SUB FOR AT154194) (SUB FOR AT176317)

1шт.

8

4248340

Bearing Race

(SUB FOR AT154186) (INNER) (USE FOR THE FOLLOWING SERIAL NUMBERS: -020858, 020860 , 020861 LEFT BRAKE VALVE ONLY, 020868, 0 20873, 020874, 020879, 020889-020892, 020 895, 020897, 020901-020908, 020911-024999 )

1шт.

9

0268601

Snap Ring

(SUB FOR TH105330) (USE FOR THE FOLLOW ING SERIAL NUMBERS: -020858, 020860, 02 0861 LEFT BRAKE VALVE ONLY, 020868, 020 873, 020874, 020879, 020889-020892, 020 895, 020897, 020901-020908, 020911-0249 99)

1шт.

11

4212842

Pin

10.008 X 14.122 mm (0.394" X 0.556") (SUB FOR AT154155)

1шт.

12

9163200

Plate

(SUB FOR AT177803, AT154107, AT170 467 OR AT176318) (SUB FOR AT181701)

1шт.

15

4416040

Piston

(SUB FOR AT154292) (SUB FOR AT184567)

2шт.

16

3072797

Plate

(SUB FOR AT176319, AT154101 O R AT202420) (SUB FOR AT215870)

1шт.

17

3078124

Retainer

(SUB FOR AT154145)

1шт.

18

2028344

Rotor

(SUB FOR AT154067)

1шт.

20

4312681

Compression Spring

(SUB FOR AT154184) Use If Available

9шт.

4312681

Compression Spring

(SUB FOR AT154184) (SUB FOR AT170466)

9шт.

21

3065176

Bushing

(SUB FOR AT154187) (SUB FOR AT165704)

1шт.

24

8060510

Piston

(SUB FOR AT154502) Use If Available

9шт.

8060510

Piston

(SUB FOR AT154502) (SUB FOR AT176320)

9шт.

25

4266511

Spacer

(SUB FOR AT154303)

1шт.

26

3032432

Plate

(SUB FOR T107771)

4шт.

27

3043240

Plate

(SUB FOR AT154090)

3шт.

28

3051501

Piston

(SUB FOR AT154120)

1шт.

29

4232766

Ring

(SUB FOR T107773)

1шт.

30

4232767

Ring

(SUB FOR T107774)

1шт.

31

3043242

Disk Spring

(SUB FOR AT154091)

1шт.

33

T111819

O-Ring

14.800 X 2.400 mm (0.583" X 3/32")

3шт.

34

4244542

O-Ring

(SUB FOR AT154175)

1шт.

37

9116382

Flow Control Hyd. Valve

(SUB FOR AT158392) (SU B FOR AT159498) Brake

1шт.

40

AT154167

Needle Bearing

1шт.

42

3047922

Plate

(SUB FOR AT154097)

1шт.

43

4271350

Pin

(SUB FOR AT154313)

2шт.

46

M341232

Bolt

M12 X 32 (SUB FOR TH100046)

8шт.

Выбрано товаров: 35