Запчасти John Deere 90E 208 - Pilot Valve 3315 Controls Linkage

Схема запчастей John Deere 90E - 208 - Pilot Valve 3315 Controls Linkage
FIT
1:1
100%

Артикул

Название

Примечание

Количество

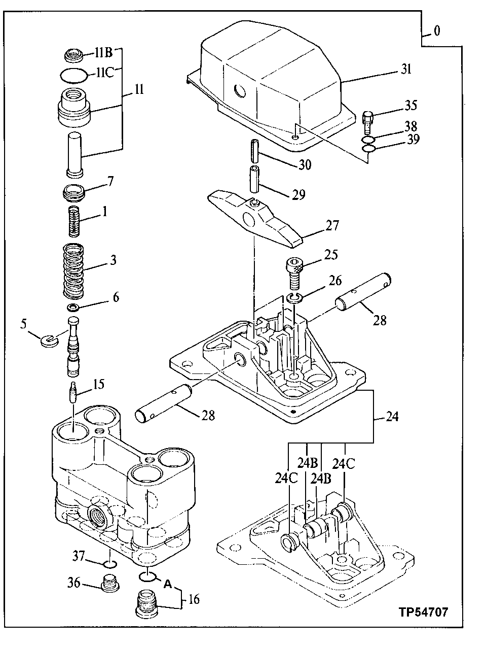
0

9149235

Hyd Actuated Control Valve

(SUB FOR AT154526 ) (SUB FOR AT214393)

1шт.

1

4203421

Spring

(SUB FOR TH109235)

4шт.

3

4203413

Compression Spring

(SUB FOR TH109236)

4шт.

5

4177777

Spacer

(SUB FOR AT154411 ) (SUB FOR TH109216)

4шт.

6

4173208

Shim

(SUB FOR TH109217)

20шт.

7

4203412

Guide

(SUB FOR TH109237)

4шт.

11

9101515

Cap

(SUB FOR AT154527)

4шт.

11B

4476342

Seal

(SUB FOR AT131269, 4359926)

1шт.

11C

U46166

O-Ring

1шт.

15

4184929

Piston

(SUB FOR TH109228)

4шт.

16

9102507

Fitting Plug

(SUB FOR AT154534)

4шт.

16A

CH10570

O-Ring

1шт.

24

9101522

Holder

(SUB FOR AT154529)

1шт.

24B

4238834

Bushing

(SUB FOR TH111963)

2шт.

24C

4274716

Bushing

(SUB FOR AT154947)

2шт.

25

19M8337

Screw

M10 X 30

2шт.

26

12M7066

Lock Washer

10 mm

2шт.

27

3035803

Cam

(SUB FOR TH109243)

2шт.

28

4190983

Pin Fastener

(SUB FOR TH109244)

2шт.

29

34M7225

Spring Pin

8 X 28 mm (SUB FOR 34M6402)

2шт.

30

4213419

Spring Pin

(SUB FOR TH111654)

2шт.

31

2031724

Cover

(SUB FOR AT154086)

1шт.

35

19M7923

Cap Screw

M6 X 12

2шт.

36

4208977

Drain Plug

(SUB FOR TH111351)

2шт.

37

CH11561

Packing

2шт.

38

12M7006

Lock Washer

6 mm

2шт.

39

24M7054

Washer

6.400 X 12 X 1.600 mm

2шт.

Выбрано товаров: 27