Запчасти John Deere 90E 225 - Pilot Lines (025000 - ) 3360 Hydraulic System

Схема запчастей John Deere 90E - 225 - Pilot Lines (025000 - ) 3360 Hydraulic System
FIT
1:1
100%

Артикул

Название

Примечание

Количество

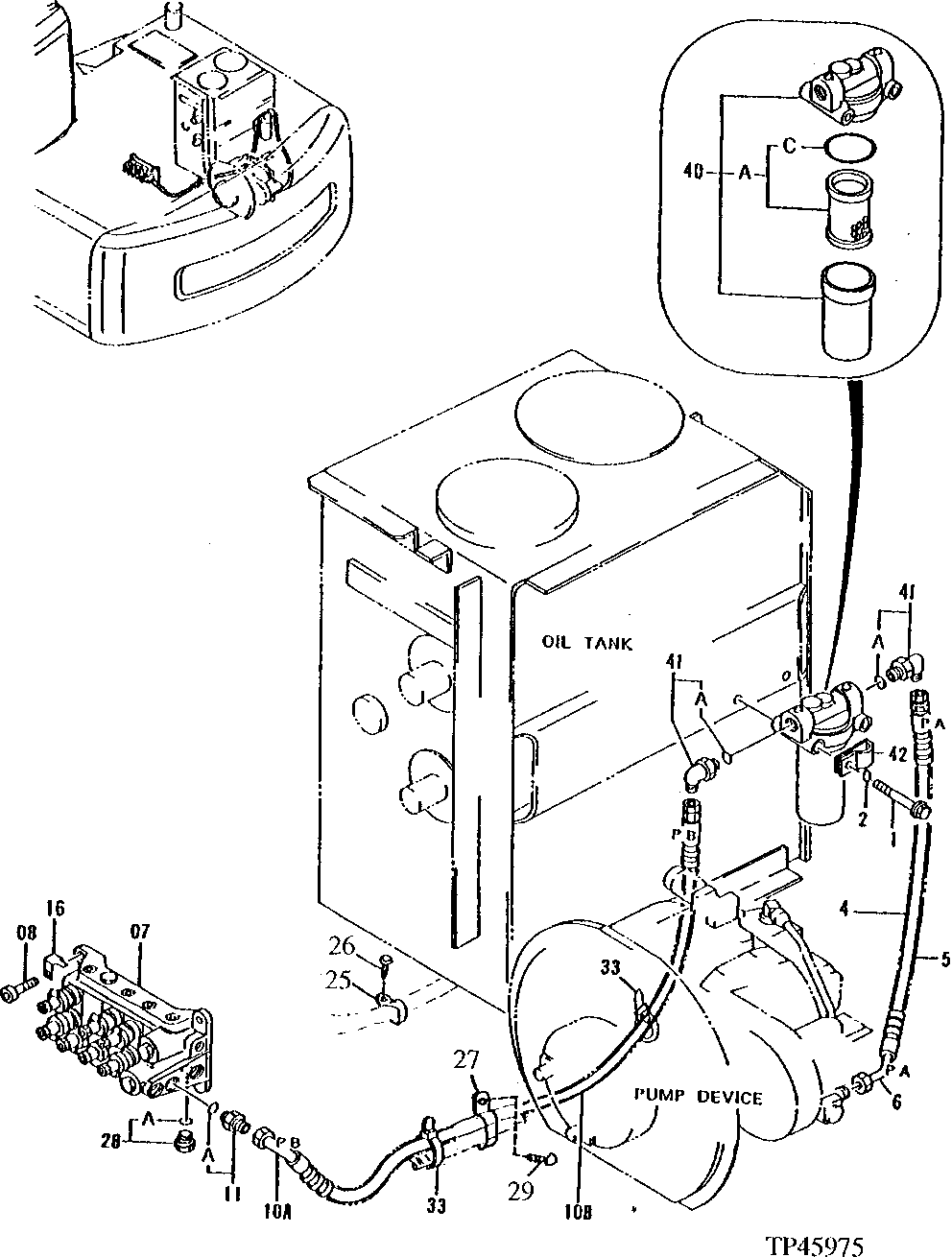
1

J901095

Bolt

(SUB FOR AT121865)

2шт.

2

12M7066

Lock Washer

10 mm

2шт.

4

AE37111

Hydraulic Hose

1шт.

5

Hose Guard

(MAKE FROM XHG-075 BULK MATE RIAL, CTL) (SUB FOR AT138222)

2шт.

6

R37145

Elbow Fitting

1шт.

7

4276904

Solenoid Valve

(SUB FOR AT154345)

1шт.

8

19M8440

Screw

M10 X 25

3шт.

10A

4287554

Hose

(SUB FOR AT154997)

1шт.

10B

Hose Guard

(MAKE FROM XHG-075 BULK MATE RIAL, CTL) (SUB FOR AT138222)

3шт.

11

X8-10F5OX

Adapter Fitting

(SUB FOR TH101006)

1шт.

11A

4506418

O-Ring

(SUB FOR U46489)

1шт.

16

4257159

Bracket

(SUB FOR AT154243)

1шт.

25

T24432

Clamp

1шт.

26

19M7402

Cap Screw

M10 X 25

1шт.

12M7066

Lock Washer

10 mm

1шт.

27

R72659

Clamp

(SUB FOR AT122384 OR 4235654)

1шт.

28

AT318013

Drain Plug

(SUB FOR 4093624 ) (SUB FOR TH103949 ) (SUB FOR TH102536)

1шт.

28A

M800650

Packing

1шт.

29

19M7938

Cap Screw

M10 X 20

1шт.

33

H77698

Tie Band

2шт.

40

4631976

Oil Filter

(SUB FOR TH108402, 4191300)

1шт.

40A

AT186554

Filter Element

(SUB FOR AT147821)

1шт.

40C

CH17154

Packing

1шт.

41

4154672

Elbow Fitting

(SUB FOR TH101008)

2шт.

41A

4506418

O-Ring

(SUB FOR U46489)

1шт.

42

T24432

Clamp

1шт.

Выбрано товаров: 26