Запчасти John Deere 90E 239 - Standard Arm 2.52m 3360 Hydraulic System

Схема запчастей John Deere 90E - 239 - Standard Arm 2.52m 3360 Hydraulic System
FIT
1:1
100%

Артикул

Название

Примечание

Количество

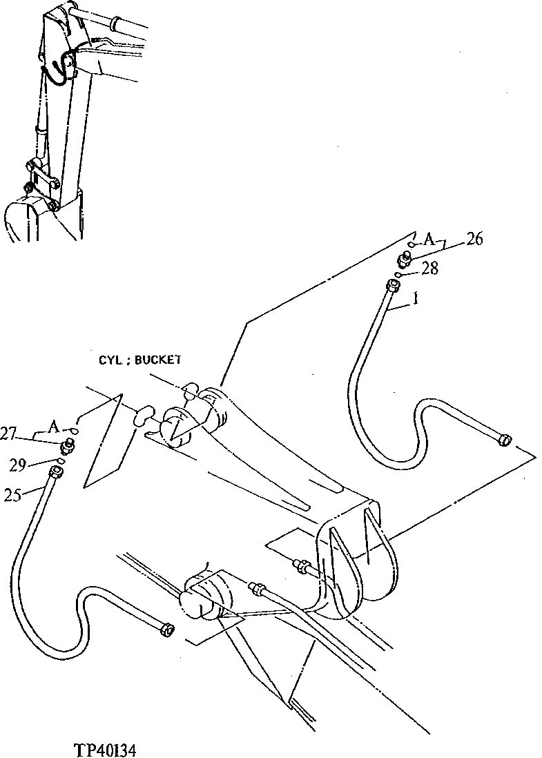
1

4295366

Hydraulic Hose

(SUB FOR AT158478)

1шт.

25

4296276

Hydraulic Hose

(SUB FOR AT158479)

1шт.

26

4197530

Adapter Fitting

(SUB FOR TH109595)

1шт.

26A

4506418

O-Ring

(SUB FOR U46489)

1шт.

27

4189602

Fitting

(SUB FOR TH108350)

1шт.

27A

4506418

O-Ring

(SUB FOR U46489)

1шт.

28

T77858

O-Ring

1шт.

29

T77857

O-Ring

1шт.

40

AT176038

Arm

WHOLEGOODS (INCLUDES STANDARD ARM, BUCK ET CYLINDER AND LINKAGE) (NOT ILLUSTRATE D) (CONTAINS ALL ITEMS ON THIS PAGE - AD DITIONAL COMPONENTS LISTED ON OTHER PAGE S)

1шт.

Выбрано товаров: 9