Запчасти John Deere 90E 244 - Flow Control Valve 3360 Hydraulic System

Схема запчастей John Deere 90E - 244 - Flow Control Valve 3360 Hydraulic System
FIT
1:1
100%

Артикул

Название

Примечание

Количество

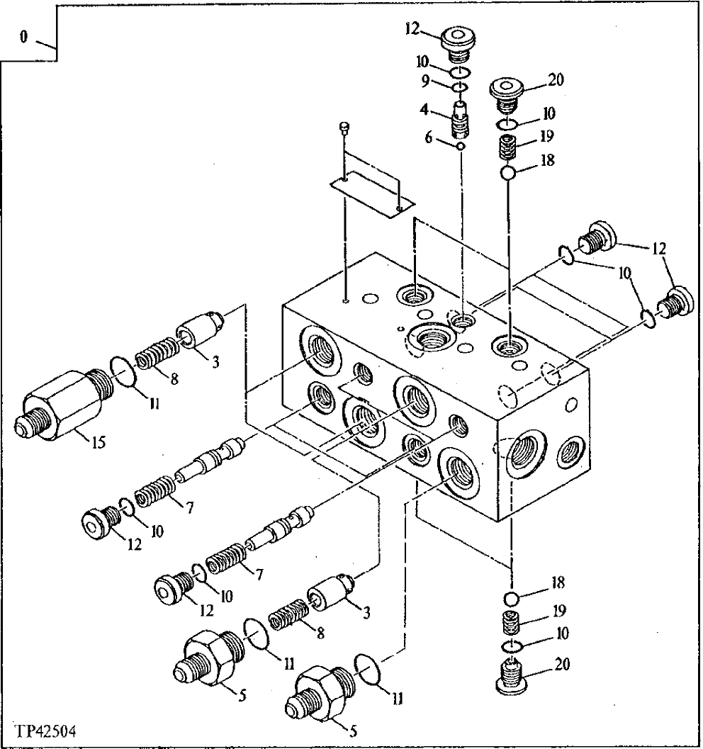
0

Hyd Actuated Control Valve

(SUB FOR AT158385)( 4310803 NLA)

1шт.

4340320

Flow Control Hyd. Valve

(SUB FOR AT202470)

1шт.

3

0408301

Plunger

(SUB FOR AT153886)

3шт.

4

0408302

Guide

(SUB FOR AT153887)

1шт.

5

0408303

Threaded Nipple

(SUB FOR AT153888)

2шт.

6

0408304

Ball

(SUB FOR AT153889)

1шт.

7

0408305

Spring

(SUB FOR AT153890)

4шт.

8

0408306

Spring

(SUB FOR AT153891)

3шт.

9

4050481

O-Ring

(SUB FOR TH100786)

1шт.

10

4506408

O-Ring

(SUB FOR TH101490)

13шт.

11

CH11570

O-Ring

4шт.

12

0215220

Fitting Plug

(SUB FOR TH101485)

9шт.

15

0408307

Threaded Nipple

(SUB FOR AT153892)

2шт.

18

0369812

Ball

(SUB FOR AT153839)

4шт.

19

0323807

Spring

(SUB FOR AT133692)

4шт.

20

0323806

Pipe Plug

(SUB FOR AT133691)

4шт.

Выбрано товаров: 16