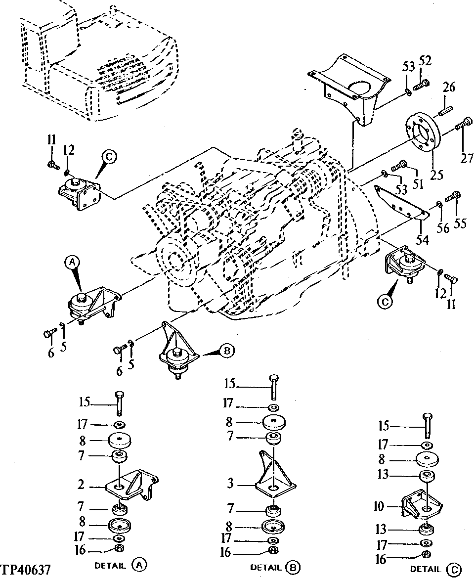
Запчасти John Deere 90E 21 - Engine Mounts 0400 ENGINE 4045TT009 4045TT009

Схема запчастей John Deere 90E - 21 - Engine Mounts 0400 ENGINE 4045TT009 4045TT009
FIT
1:1
100%

Артикул

Название

Примечание

Количество

2

8052048

Bracket

(SUB FOR AT155163)

1шт.

3

8052049

Bracket

(SUB FOR AT155164)

1шт.

5

12H294

Lock Washer

5/8"

4шт.

6

19H2706

Cap Screw

5/8" X 2"

4шт.

7

4155171

Isolator

(SUB FOR TH100887)

4шт.

8

4189018

Retainer

(SUB FOR TH109410)

6шт.

10

8028462

Bracket

(SUB FOR TH100892)

2шт.

11

19H2993

Cap Screw

1/2" X 1-1/2"

8шт.

12

12H301

Lock Washer

1/2"

8шт.

13

4155170

Isolator

(SUB FOR TH100894)

4шт.

15

19M8970

Cap Screw

M18 X 120 (SUB FOR J931804)

4шт.

16

J951018

Nut

(SUB FOR TH100890)

4шт.

17

4114406

Washer

19 X 36 X 4.500 mm (0.748" X 1.4 17" X 0.177") (SUB FOR TH100891)

8шт.

25

3058013

Spacer

(SUB FOR AT154902)

1шт.

3068938

Spacer

(SUB FOR AT202435)

1шт.

26

34M7117

Spring Pin

5 X 10 mm

2шт.

27

T108085

Cap Screw

M16 X 50

4шт.

51

19H3483

Cap Screw

3/8" X 1-1/8"

5шт.

52

19H3239

Cap Screw

3/8" X 1-1/4"

3шт.

53

12H304

Lock Washer

3/8"

8шт.

54

4205128

Cover

(SUB FOR TH108255)

1шт.

55

19H1648

Cap Screw

3/8" X 3/4"

4шт.

56

12H304

Lock Washer

3/8"

4шт.

Выбрано товаров: 23