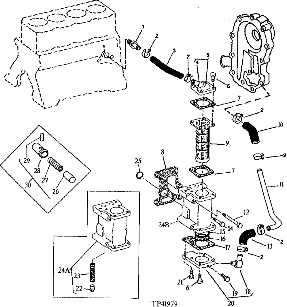
Запчасти John Deere 90E 52 - Engine Oil Cooler 0419 Engine Oil Cooler 4045TT009 4045TT009

Схема запчастей John Deere 90E - 52 - Engine Oil Cooler 0419 Engine Oil Cooler 4045TT009 4045TT009
FIT
1:1
100%

Артикул

Название

Примечание

Количество

1

R39503

Fitting

1шт.

2

TY22467

Clamp

(SUB FOR AT145650)

6шт.

3

R54826

Hose

1шт.

4

R34985

Line

1шт.

5

AR70464

Cover

(MARKED R58632)

1шт.

6

19H2661

Cap Screw

5/16" X 1-3/8"

8шт.

7

R98486

Gasket

2шт.

8

R98489

Gasket

1шт.

9

RE31089

Oil Cooler

1шт.

10

R48766

Hose

1шт.

11

R104725

Oil Line

1шт.

12

19H1925

Cap Screw

3/8" X 4-1/4"

2шт.

13

Hose

(CTL) (MAKE FROM R120013) (SUB FOR R81210)

1шт.

14

19H3131

Cap Screw

5/16" X 2"

2шт.

15

R56814

O-Ring

Inner

1шт.

16

R56815

O-Ring

Outer

1шт.

17

R98487

Gasket

1шт.

18

AR26732

Elbow Fitting

1шт.

19

R42852

Pipe Plug

1шт.

20

AR63356

Cover

(MARKED R54828)

1шт.

21

19H2705

Cap Screw

5/16" X 1"

1шт.

22

Valve Seat

(SUB AR103165)

1шт.

23

R46625

Spring

1шт.

24A

AR103165

Housing

(MARKED R76241)

1шт.

24B

R110562

Housing

1шт.

25

R61871

O-Ring

1шт.

26

Valve

(SUB AR63351)

1шт.

27

R46625

Spring

1шт.

28

Housing

(SUB AR63351)

1шт.

29

34H184

Spring Pin

1/8" X 1-1/8"

1шт.

30

AR63351

Valve

1шт.

Выбрано товаров: 31