Запчасти John Deere 95D 76 - DIVERTER VALVE 3360 - EXCAVATOR 33

Схема запчастей John Deere 95D - 76 - DIVERTER VALVE 3360 - EXCAVATOR 33
FIT
1:1
100%

Артикул

Название

Примечание

Количество

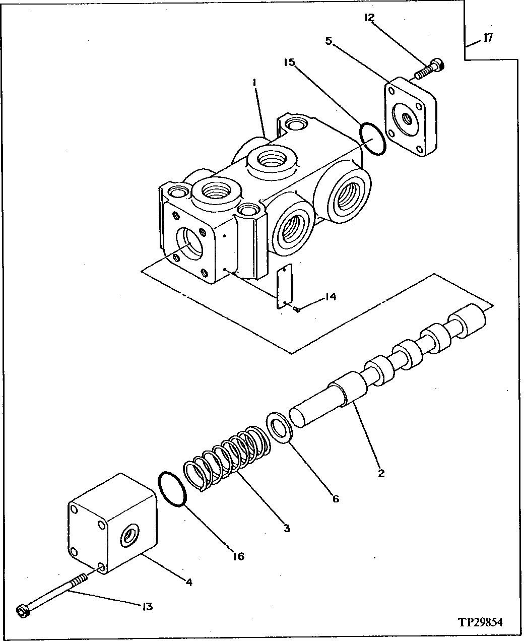
1

HOUSING

( AT127371 NO LONGER AVAILABLE)

1шт.

2

4271914

VALVE SPOOL

(SUB FOR AT127372) (SUB FOR AT130830)

1шт.

3

0353503

COMPRESSION SPRING

(SUB FOR AT127373)

1шт.

4

0353504

CASE

(SUB FOR AT127374)

1шт.

5

0353505

COVER

(SUB FOR AT127375)

1шт.

6

0353506

WASHER

(SUB FOR AT127376)

1шт.

12

19M8505

SCREW

M6 X 25, (SUB FOR AT127377)

4шт.

13

19M6641

SCREW

M6 X 80, (SUB FOR AT127378) (SUB FOR 19M8482)

4шт.

14

0208717

SCREW

(SUB FOR TH102697)

2шт.

15

A811030

O-RING

(SUB FOR TH101300)

1шт.

16

AT264324

O-RING

(SUB FOR TH100044) (USE IF AVAILABLE)

1шт.

AT264324

O-RING

(SUB FOR T32587, TH100044)

1шт.

17

CONTROL VALVE

(SUB AT130824) ( AT126343 NO LONGER AVAILABLE)

1шт.

4263455

HYD ACTUATED CONTROL VALVE

(SUB FOR AT130824)

1шт.

Выбрано товаров: 14