Качественные детали и логистика
Оригинальные и аналоговые запчасти с доставкой по России, Казахстану и Беларуси
©2022 PartSell ООО "Система" ИНН 2463123282 ОГРН 1212400004838
Центральный офис: г. Красноярск, Академика Киренского, д.87, пом.4
Телефон: 8 (800) 777-65-74 Email: zakaz@partsell.ru
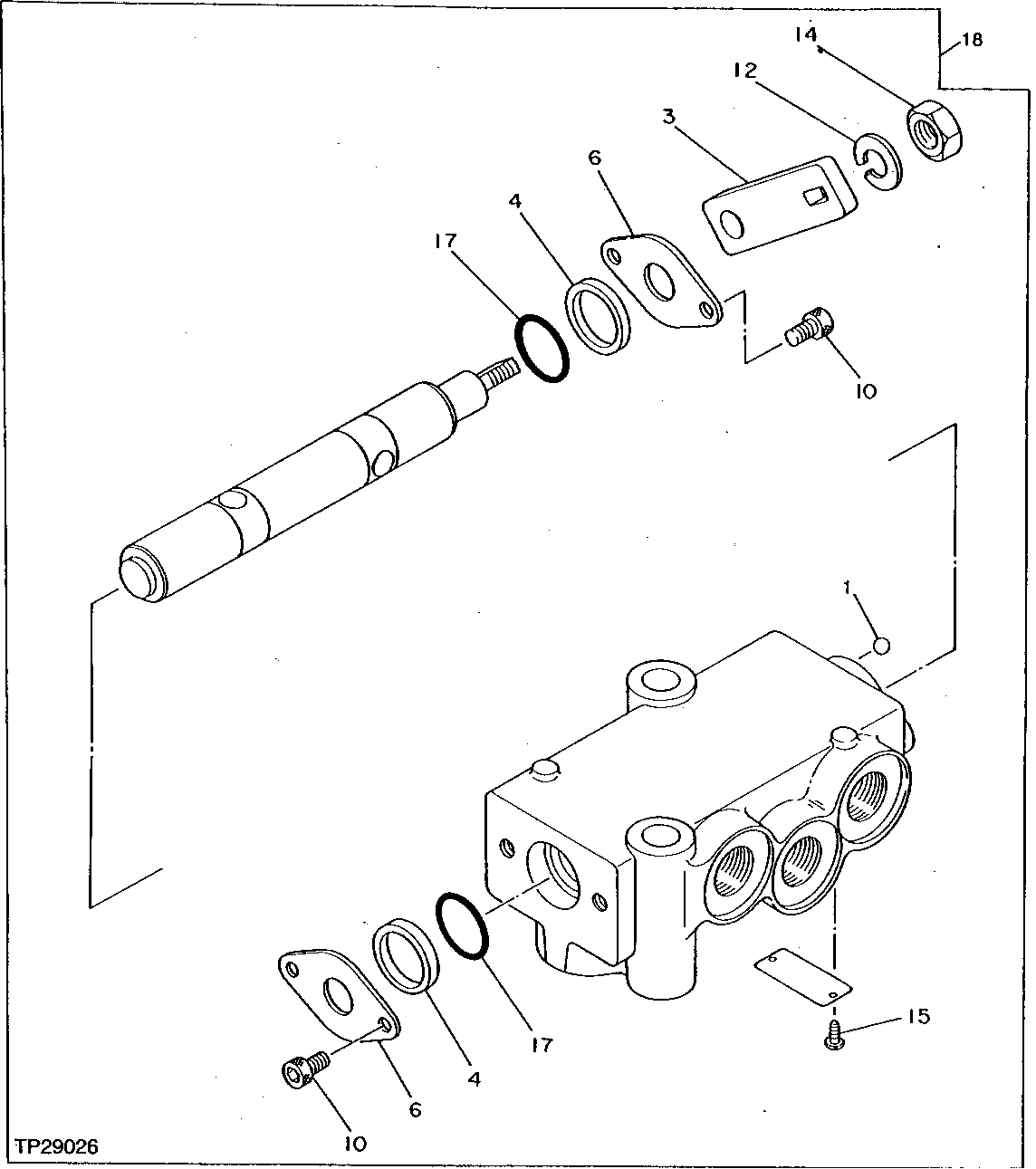
86 - PILOT HYDRAULICS SHUT-OFF VALVE
№
Артикул
Название
Примечание
Количество
1
0309902
BALL
(SUB FOR TH109297)
1шт.
3
0309903
LEVER
(SUB FOR TH109298)
4
0309904
BACK-UP RING
(SUB FOR TH109299)
2шт.
6
0309905
HOLDER
(SUB FOR TH109300)
10
0344046
BOLT
(SUB FOR TH109301) (SUB FOR AT121123)
4шт.
12
12M7066
LOCK WASHER
10 MM, (SUB FOR TH109303)
14
0309910
NUT
(SUB FOR TH109305)
15
0208717
SCREW
(SUB FOR TH102697)
17
CH14634
O-RING
18
4179025
FLOW CONTROL HYD. VALVE
(SUB FOR TH108432)
Выбрано товаров: 0