Запчасти John Deere 95D 104 - ARM CYLINDER 3360 - EXCAVATOR 33

Схема запчастей John Deere 95D - 104 - ARM CYLINDER 3360 - EXCAVATOR 33
FIT
1:1
100%

Артикул

Название

Примечание

Количество

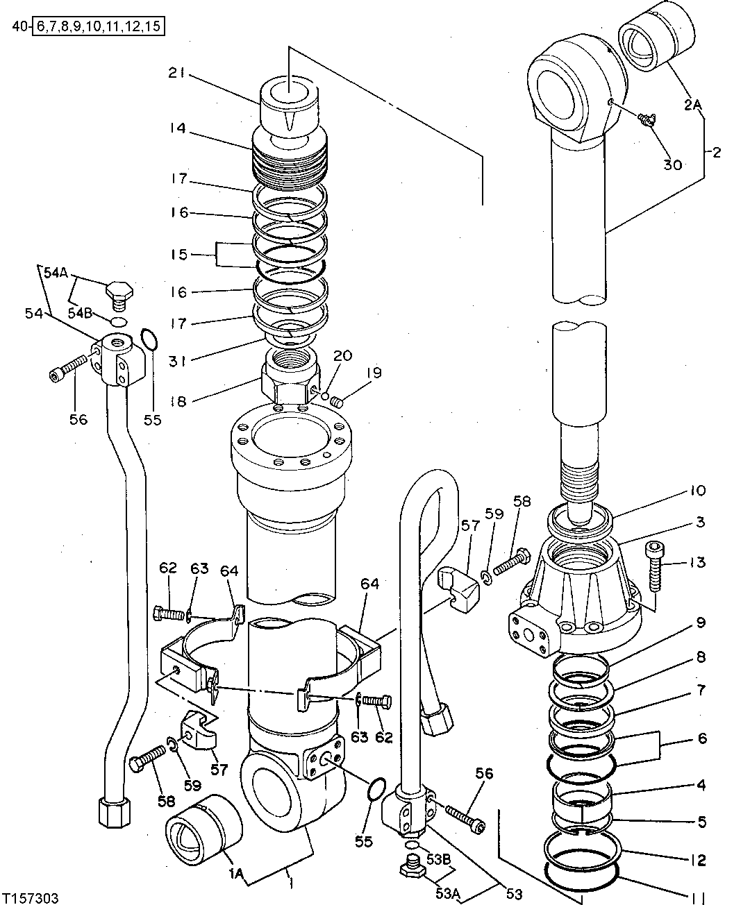
1

4227369

HYDRAULIC CYLINDER BARREL

(SUB FOR AT134097)

1шт.

1A

0310513

BUSHING

(SUB FOR TH109383)

1шт.

2

HYDRAULIC CYLINDER ROD

(A) (SUB FOR AT134098) ( 4227370 NOT USED, THIS APPLICATION) ( 0310502 NLA)

1шт.

0310520

HYDRAULIC CYLINDER ROD

(B)

1шт.

2A

0310513

BUSHING

(SUB FOR TH109383)

1шт.

3

0310503

CYLINDER HEAD

(SUB FOR AT133656)

1шт.

4

TH109311

WEAR RING

1шт.

5

TH109312

SNAP RING

(SUB FOR 0240904)

1шт.

6

RING

(SUB FOR TH109313) ( 4S00188 NLA)

1шт.

7

4S00189

PACKING

(SUB FOR TH109314)

1шт.

8

4S00190

BACK-UP RING

(SUB FOR TH109315)

1шт.

9

4S00136

RING

(SUB FOR TH109316)

1шт.

10

0240910

RING

(A) (SUB FOR TH109317)

1шт.

0409614

RING

(B)

1шт.

11

AT264319

O-RING

(SUB FOR T110447)

1шт.

12

TH109318

BACK-UP RING

1шт.

13

M341656

BOLT

(A) (SUB FOR TH109319 OR 0163406)

8шт.

M341656

BOLT

(B)

8шт.

14

0310507

PISTON

(SUB FOR TH109321)

1шт.

15

AT264387

RING

(SUB FOR TH109322)

1шт.

16

AT309607

RING

(SUB FOR TH109323, 4S00139)

2шт.

17

AT264388

RING

(SUB FOR TH109324, 0310510 AND 4S00155)

2шт.

18

0310511

NUT

(SUB FOR TH109325)

1шт.

19

22M6684

SET SCREW

M12 X 12

1шт.

20

T13624

BALL

1шт.

21

0310512

SLEEVE

(SUB FOR TH109320)

1шт.

30

T116334

LUBRICATION FITTING

(SUB FOR TH100075)

1шт.

31

TH109328

SHIM

(SUB FOR 0310514)

1шт.

32

4206335EX

HYDRAULIC CYLINDER

(SUB FOR AT127253) (NOT ILLUSTRATED) (CONTAINS ITEMS 1 THRU 31)

1шт.

40

AT192095

SEAL KIT

(ALSO ORDER (2) 4S00139 AND (2) AT264388)

1шт.

53

0310515

LINE

(A) (SUB FOR AT133657)

1шт.

0310518

TUBE

(B)

1шт.

53A

4174542

DRAIN PLUG

(SUB FOR TH110478)

1шт.

53B

AT318035

O-RING

(SUB FOR 4506424, TH100055)

1шт.

54

0310516

LINE

(A) (SUB FOR AT133658)

1шт.

0310519

TUBE

(B)

1шт.

54A

4174542

DRAIN PLUG

(SUB FOR TH110478)

1шт.

54B

AT318035

O-RING

(SUB FOR 4506424, TH100055)

1шт.

55

AT264360

O-RING

(SUB FOR TH104930, 4506430)

2шт.

56

19M8213

SCREW

(A) M10 X 50, (SUB FOR T108034)

8шт.

19M8337

SCREW

(B) M10 X 30

8шт.

57

T108036

CLAMP

2шт.

58

19M7361

CAP SCREW

M12 X 50, (SUB FOR T108037)

2шт.

59

12M7058

LOCK WASHER

12 MM, (SUB FOR 12M7067)

2шт.

62

19M7550

CAP SCREW

M10 X 35

2шт.

63

12M7066

LOCK WASHER

10 MM

2шт.

64

0310517

BAND

(SUB FOR AT133659)

2шт.

65

SEAL

(ROD AND HEAD END) (NOT ILLUSTRATED OR INCLUDED IN CYLINDER ASSEMBLY - FOR DETAIL SEE BOOM AND ARM HYDRAULIC HOSES AND LINES)

2шт.

Выбрано товаров: 48