Запчасти John Deere 95D 4 - FUEL INJECTION SYSTEM 413 - ENGINE 4

Схема запчастей John Deere 95D - 4 - FUEL INJECTION SYSTEM 413 - ENGINE 4
FIT
1:1
100%

Артикул

Название

Примечание

Количество

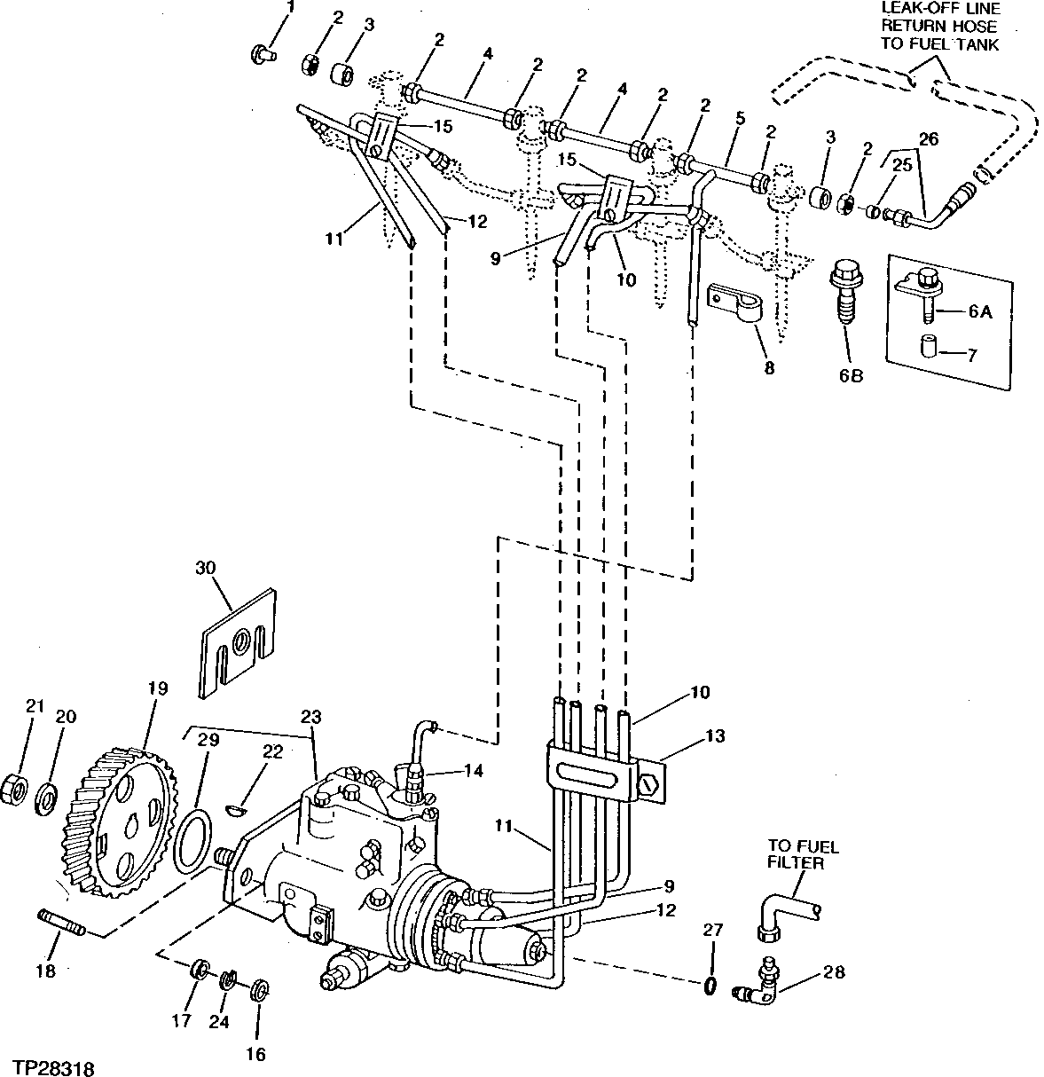
1

16H658

RIVET

1/4" X 5/8"

1шт.

2

R51937

TUBE NUT

7шт.

3

R51936

SEALING WASHER

7шт.

4

R66090

TUBE

2шт.

5

AR85615

LINE

LEAK-OFF

1шт.

6A

R34760

CLAMP

(K)

4шт.

6B

R101201

CAP SCREW

4шт.

7

RE32011

O-RING KIT

(SUB FOR R92351)

4шт.

8

T29969

CLAMP

1шт.

9

RE20992

FUEL LINE

NO. 4

1шт.

RE43292

FUEL LINE

NO. 4

1шт.

RE53871

FUEL LINE

NO.4

1шт.

10

RE20991

FUEL LINE

NO. 3

1шт.

RE43291

FUEL LINE

NO. 3

1шт.

RE53870

FUEL LINE

NO.3

1шт.

11

RE20990

FUEL LINE

NO. 2

1шт.

RE43290

FUEL LINE

NO. 2

1шт.

RE53869

FUEL LINE

NO.2

1шт.

12

RE20989

FUEL LINE

NO. 1

1шт.

RE43289

FUEL LINE

NO. 1

1шт.

RE53868

FUEL LINE

NO.1

1шт.

13

RE19799

CLAMP

1шт.

14

R35352

FITTING

1шт.

15

RE19797

CLAMP

2шт.

16

14H785

NUT

5/16"

3шт.

17

T27860

WASHER

3шт.

18

R56055

STUD

3шт.

T23442

STUD

3шт.

19

R56056

GEAR

(48 TEETH)

1шт.

R104907

GEAR

(48 TEETH) (SUB FOR R87184)

1шт.

20

R56423

WASHER

1шт.

R132874

WASHER

(SUB FOR R48600)

1шт.

21

R56422

NUT

1шт.

R91360

NUT

1шт.

22

H64373

SHAFT KEY

(SUB FOR R56424 OR M114270) (CUT TO LENGTH)

1шт.

23

RE36254

FUEL INJECTION PUMP

(A) (STANADYNE NO. )

1шт.

SE500634

FUEL INJECTION PUMP REMAN

(REMANUFACTURED FOR RE36254)

1шт.

RE39992

FUEL INJECTION PUMP

1шт.

SE500515

FUEL INJECTION PUMP REMAN

(REMANUFACTURED FOR RE39992)

1шт.

24

12H303

LOCK WASHER

5/16"

3шт.

25

R51936

SEALING WASHER

1шт.

26

RE16142

FUEL LINE

1шт.

27

R26286

O-RING

1шт.

28

RE56322

TEE FITTING

(SUB FOR AT32333)

1шт.

29

R502076

O-RING

(SUB FOR R89944)

1шт.

30

PULLER

( R100163 NO LONGER AVAILABLE)

1шт.

Выбрано товаров: 0