Запчасти John Deere 95D 8 - STEERING VALVE 960 - STEERING SYSTEM 9

Схема запчастей John Deere 95D - 8 - STEERING VALVE 960 - STEERING SYSTEM 9
FIT
1:1
100%

Артикул

Название

Примечание

Количество

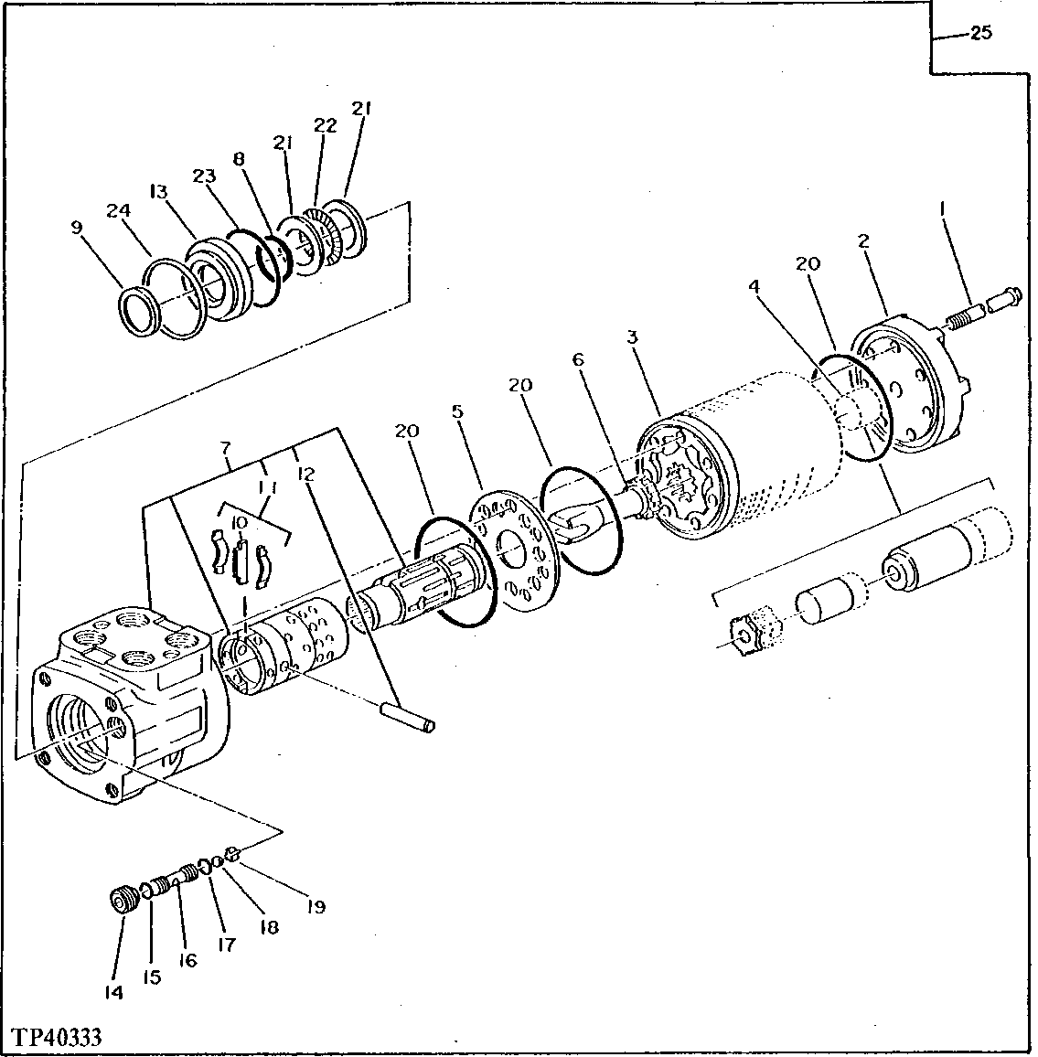
1

T64317

SCREW

7шт.

2

T64308

CAP

1шт.

3

AT61111

ROTOR

1шт.

4

T64318

SPACER

1шт.

5

T64310

WASHER

1шт.

6

T37253

DRIVE

1шт.

7

CONTROL

( AT61105 NO LONGER AVAILABLE)

1шт.

8

C15107

O-RING

(K)

1шт.

9

C15104

SEAL

(K)

1шт.

10

T77345

SPACER

(K1)

2шт.

11

SPRING

(K1) ( T37261 - NO LONGER AVAILABLE)

6шт.

12

M4124T

DOWEL PIN

1шт.

13

T54323

ISOLATOR

1шт.

14

T64313

SET SCREW

1шт.

15

A3917R

O-RING

(K)

1шт.

16

T64312

SEAT

1шт.

17

R10093

O-RING

(K)

1шт.

18

R26552

BALL

1шт.

19

T64311

RETAINER

1шт.

20

(K) (SUB T152288) ( T70321 NLA)

3шт.

21

T41836

THRUST BEARING RACE

2шт.

22

JD8856

NEEDLE BEARING

(SUB FOR TH104792)

1шт.

23

B3690R

O-RING

(K)

1шт.

24

T54324

SNAP RING

1шт.

25

4149140

VALVE

(SUB FOR TH103932)

1шт.

Выбрано товаров: 25