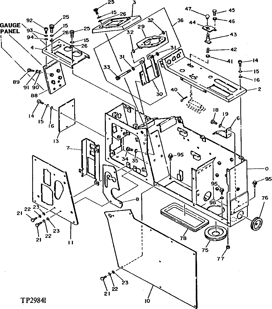
Запчасти John Deere 95D 20 - RIGHT CONTROL BOX 1810 - OPERATORS MANUAL 18

Схема запчастей John Deere 95D - 20 - RIGHT CONTROL BOX 1810 - OPERATORS MANUAL 18
FIT
1:1
100%

Артикул

Название

Примечание

Количество

0

8044543

STAND

(SUB FOR AT127139)

1шт.

2

7023479

PANEL

(SUB FOR AT126986) (SUB FOR AT128472)

1шт.

3

8045946

PANEL

(SUB FOR AT134291)

1шт.

4

8040356

PANEL

(SUB FOR AT127052)

1шт.

6

9729088

BRACKET

(SUB FOR AT127227)

1шт.

7

8040401

BRACKET

(SUB FOR AT127055)

1шт.

8

3040298

GUIDE

(SUB FOR AT126155)

1шт.

10

7019016

COVER

(SUB FOR AT126963)

1шт.

11

2025345

COVER

(SUB FOR AT126084)

1шт.

13

4214105

COVER

(SUB FOR AT126615)

1шт.

14

21M7246

SCREW

M6 X 16

6шт.

15

12M7006

LOCK WASHER

6 MM

14шт.

16

24M7054

WASHER

6.400 X 12 X 1.600 MM

6шт.

18

19M7077

CAP SCREW

M6 X 20

2шт.

19

12M7006

LOCK WASHER

6 MM

2шт.

21

19M8425

CAP SCREW

M6 X 16

19шт.

22

24M7054

WASHER

6.400 X 12 X 1.600 MM

19шт.

23

12M7006

LOCK WASHER

6 MM

19шт.

25

19M8553

SCREW

M6 X 16

8шт.

21M7246

SCREW

M6 X 16

8шт.

26

24M7054

WASHER

6.400 X 12 X 1.600 MM

8шт.

29

8038104

BRACKET

(SUB FOR TH108509)

1шт.

30

8038102

BRACKET

(SUB FOR TH108493)

1шт.

31

24M7047

WASHER

13 X 24 X 2.500 MM

2шт.

32

4191947

SHIM

(SUB FOR TH108494)

2шт.

33

19M8442

SCREW

M12 X 100

1шт.

34

19M7938

CAP SCREW

M10 X 20

4шт.

35

12M7066

LOCK WASHER

10 MM

4шт.

36

BRACKET

( 9076592 NO LONGER AVAILABLE) (ORDER COMPONENTS)

1шт.

40

11M7099

COTTER PIN

(K) 2 X 12 MM

1шт.

41

24M7055

WASHER

(K) 8.400 X 16 X 1.600 MM

1шт.

42

4257179

COMPRESSION SPRING

(K) (SUB FOR AT128473)

1шт.

43

4257776

LEVER

(K) (SUB FOR AT128474)

1шт.

44

9735113

BRACKET

(K) (SUB FOR AT128475)

1шт.

45

0209423

BOLT

(K) (SUB FOR TH105824) (SUB FOR TH100738)

2шт.

46

24M7054

WASHER

(K) 6.400 X 12 X 1.600 MM

2шт.

47

4156615

KNOB

(K) (SUB FOR AT128476)

1шт.

75

4217281

GROMMET

(SUB FOR AT126674)

1шт.

76

4161992

GROMMET

(SUB FOR TH108491)

3шт.

77

487081

GROMMET

(SUB FOR TH108081)

1шт.

78

4206940

GROMMET

(SUB FOR AT126375)

1шт.

88

8040400

BRACKET

(SUB FOR AT127054)

1шт.

89

19M7881

SCREW

M8 X 20

6шт.

90

24M7055

WASHER

8.400 X 16 X 1.600 MM

6шт.

91

12M7056

LOCK WASHER

8 MM, (SUB FOR 12M7065)

6шт.

92

21M7246

SCREW

M6 X 16

2шт.

93

12M7006

LOCK WASHER

6 MM

2шт.

94

24M7054

WASHER

6.400 X 12 X 1.600 MM

2шт.

95

19M8499

CAP SCREW

M10 X 60

5шт.

96

24M7028

WASHER

10.500 X 20 X 2 MM

1шт.

Выбрано товаров: 50