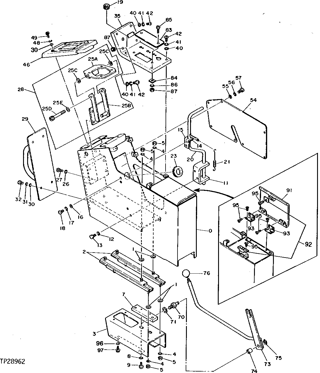
Запчасти John Deere 95D 22 - LEFT CONTROL BOX 1810 - OPERATORS MANUAL 18

Схема запчастей John Deere 95D - 22 - LEFT CONTROL BOX 1810 - OPERATORS MANUAL 18
FIT
1:1
100%

Артикул

Название

Примечание

Количество

0

6010077

STAND

(SUB FOR AT127902)

1шт.

1

4191947

SHIM

(SUB FOR TH108494)

8шт.

2

4208764

SUPPORT

(SUB FOR AT126452)

2шт.

3

8039938

BRACKET

(SUB FOR AT127048)

1шт.

4

12M7056

LOCK WASHER

8 MM, (SUB FOR 12M7065)

8шт.

5

14M7273

NUT

M8

8шт.

7

3040249

STOP

(SUB FOR AT126154)

1шт.

8

12M7066

LOCK WASHER

10 MM

2шт.

9

19M7938

CAP SCREW

M10 X 20

2шт.

11

4214103

CHANNEL

(SUB FOR AT126614)

1шт.

12

12M7066

LOCK WASHER

10 MM

2шт.

13

19M8324

CAP SCREW

M10 X 16

2шт.

14

4243952

ISOLATOR

(SUB FOR AT127741)

1шт.

15

4214102

ANGLE

(SUB FOR AT126613)

1шт.

16

24M7250

WASHER

6.400 X 17 X 3 MM

2шт.

17

12M7006

LOCK WASHER

6 MM

2шт.

18

21M7285

SCREW

M6 X 12

2шт.

19

4236311

GROMMET

(SUB FOR AT127697)

1шт.

20

8043173

HANDLE

(SUB FOR AT127101)

1шт.

21

4214243

EXTENSION SPRING

(SUB FOR AT126616)

1шт.

23

GROMMET

(SUB FOR AT126267) ( 4184582 NLA)

1шт.

25A

8038104

BRACKET

(SUB FOR TH108509)

1шт.

25B

8038101

BRACKET

(SUB FOR TH108510)

1шт.

25C

4191947

SHIM

(SUB FOR TH108494)

2шт.

25D

19M8442

SCREW

M12 X 100

1шт.

25E

24M7047

WASHER

13 X 24 X 2.500 MM

1шт.

26

12M7066

LOCK WASHER

10 MM

4шт.

27

19M7938

CAP SCREW

M10 X 20

4шт.

28

BRACKET

(LEFT) ( TH110218 NO LONGER AVAILABLE)

1шт.

29

9732644

COVER

(SUB FOR AT127975)

1шт.

30

24M7054

WASHER

6.400 X 12 X 1.600 MM

8шт.

31

12M7066

LOCK WASHER

10 MM

4шт.

32

21M7246

SCREW

M6 X 16

4шт.

35

8041043

PANEL

(SUB FOR AT127081)

1шт.

40

24M7054

WASHER

6.400 X 12 X 1.600 MM

5шт.

41

12M7006

LOCK WASHER

6 MM

5шт.

42

21M7246

SCREW

M6 X 16

5шт.

46

7020249

PANEL

(SUB FOR AT126973)

1шт.

48

12M7006

LOCK WASHER

6 MM

4шт.

49

21M7246

SCREW

M6 X 16

4шт.

54

3044850

COVER

(SUB FOR AT126174)

1шт.

55

24M7054

WASHER

6.400 X 12 X 1.600 MM

7шт.

56

12M7006

LOCK WASHER

6 MM

7шт.

57

J900614

BOLT

(SUB FOR TH104056)

7шт.

70

4234983

SHAFT

(SUB FOR AT126829)

1шт.

71

12H317

LOCK WASHER

9/16"

1шт.

Выбрано товаров: 46