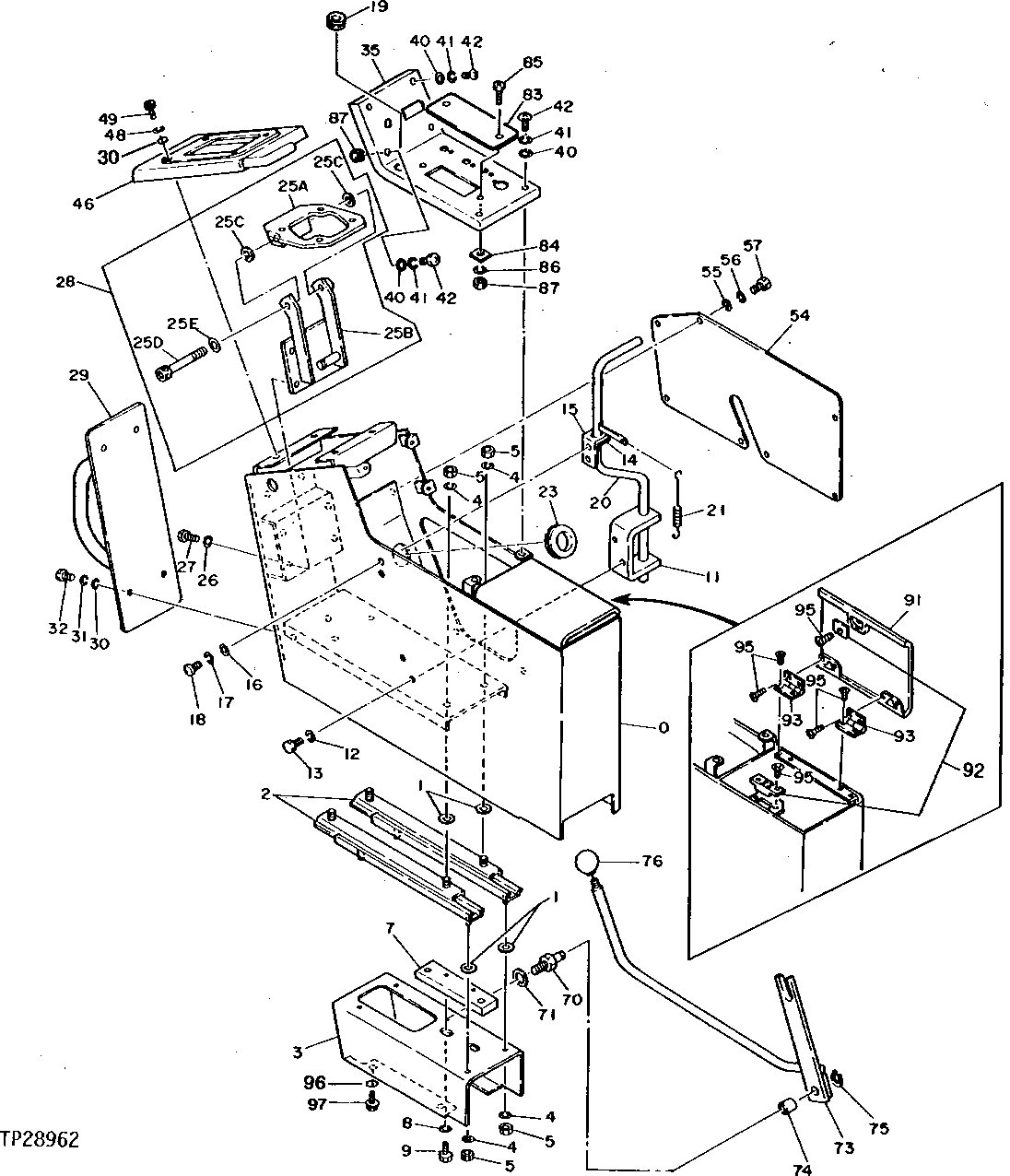
Запчасти John Deere 95D 24 - LEFT CONTROL BOX 1810 - OPERATORS MANUAL 18

Схема запчастей John Deere 95D - 24 - LEFT CONTROL BOX 1810 - OPERATORS MANUAL 18
FIT
1:1
100%

Артикул

Название

Примечание

Количество

73

7020558

LEVER

(SUB FOR AT126978)

1шт.

74

4234982

BUSHING

(SUB FOR AT126828)

1шт.

75

40M7188

SNAP RING

1шт.

76

4143169

KNOB

(SUB FOR TH100268)

1шт.

83

4209105

COVER

(SUB FOR AT127616)

1шт.

84

4200521

PLATE

(SUB FOR TH108565)

2шт.

85

21M7455

SCREW

M6 X 20, (SUB FOR 21M7085)

2шт.

86

12M7006

LOCK WASHER

6 MM

2шт.

87

14M7272

NUT

M6

3шт.

91

7021054

COVER

(SUB FOR AT134278)

1шт.

92

4199403

MAGNET

(SUB FOR TH108505)

1шт.

93

4199401

HINGE

(SUB FOR TH108506)

2шт.

95

21M7404

SCREW

M2.500 X 6

11шт.

96

12M7066

LOCK WASHER

10 MM

4шт.

97

19M7938

CAP SCREW

M10 X 20

4шт.

Выбрано товаров: 15