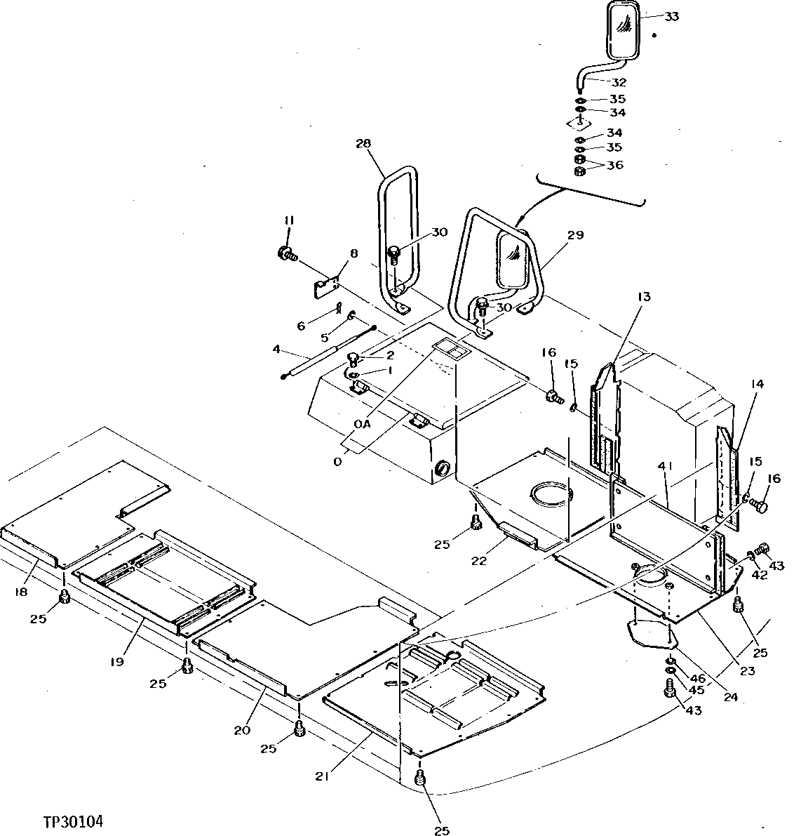
Запчасти John Deere 95D 8 - BOTTOM COVERS, SERVICE DOOR AND HAND HOLD 1910 - SHEET METAL AND STYLING 19

Схема запчастей John Deere 95D - 8 - BOTTOM COVERS, SERVICE DOOR AND HAND HOLD 1910 - SHEET METAL AND STYLING 19
FIT
1:1
100%

Артикул

Название

Примечание

Количество

0

7017630

COVER

(SUB FOR TH108775)

1шт.

0A

4361763

LOCK

(SUB FOR AT115741) (SUB FOR AT214010)

1шт.

1

12M7066

LOCK WASHER

10 MM

4шт.

2

19M7938

CAP SCREW

M10 X 20

4шт.

4

4196560

GAS OPERATED CYLINDER

(SUB FOR TH108776)

1шт.

5

24M7055

WASHER

8.400 X 16 X 1.600 MM

2шт.

6

H132922

COTTER PIN

2шт.

8

4187846

BRACKET

(SUB FOR TH108777)

1шт.

11

19M7881

SCREW

M8 X 20

2шт.

13

8044597

COVER

(SUB FOR AT127147)

1шт.

14

8044596

COVER

(SUB FOR AT127146)

1шт.

15

12M7066

LOCK WASHER

10 MM

8шт.

16

19M8324

CAP SCREW

M10 X 16

8шт.

18

3035538

COVER

(SUB FOR TH108780)

1шт.

19

3039937

COVER

(SUB FOR AT134033)

1шт.

20

3038176

COVER

(SUB FOR TH108782)

1шт.

21

3045860

COVER

(SUB FOR AT126181)

1шт.

22

3035267

COVER

(SUB FOR TH108784)

1шт.

23

7020820

COVER

(SUB FOR AT126984)

1шт.

24

4196884

COVER

(SUB FOR AT126319)

1шт.

25

12M7058

LOCK WASHER

12 MM, (SUB FOR 12M7067)

39шт.

19M8011

CAP SCREW

M12 X 30

39шт.

24H1748

WASHER

1/2" X 1-1/4" X 0.105"

39шт.

28

8039700

HANDRAIL

(SUB FOR AT127046)

1шт.

29

8045479

HANDRAIL

(SUB FOR AT134288)

1шт.

30

19M7872

CAP SCREW

M12 X 25

4шт.

32

4209927

SUPPORT

(SUB FOR AT126494)

1шт.

33

REAR VIEW MIRROR

( TH104119 NO LONGER AVAILABLE) (SUB AT185207 MIRROR AND AT186649 ARM)

1шт.

4420724

REAR VIEW MIRROR

(SUB FOR AT185207)

1шт.

34

24M7047

WASHER

13 X 24 X 2.500 MM

2шт.

35

4172172

WASHER

(SUB FOR TH104118)

2шт.

36

14M7275

NUT

M12

2шт.

41

8044599

COVER

(SUB FOR AT127149)

1шт.

42

24H1748

WASHER

1/2" X 1-1/4" X 0.105"

4шт.

43

19M7872

CAP SCREW

M12 X 25

6шт.

45

24M7047

WASHER

13 X 24 X 2.500 MM

2шт.

46

12H301

LOCK WASHER

1/2"

2шт.

Выбрано товаров: 37