Запчасти John Deere 95D 4 - MAIN HYDRAULIC PUMP 2160 - MAIN HYDRAULIC SYSTEM 21

Схема запчастей John Deere 95D - 4 - MAIN HYDRAULIC PUMP 2160 - MAIN HYDRAULIC SYSTEM 21
FIT
1:1
100%

Артикул

Название

Примечание

Количество

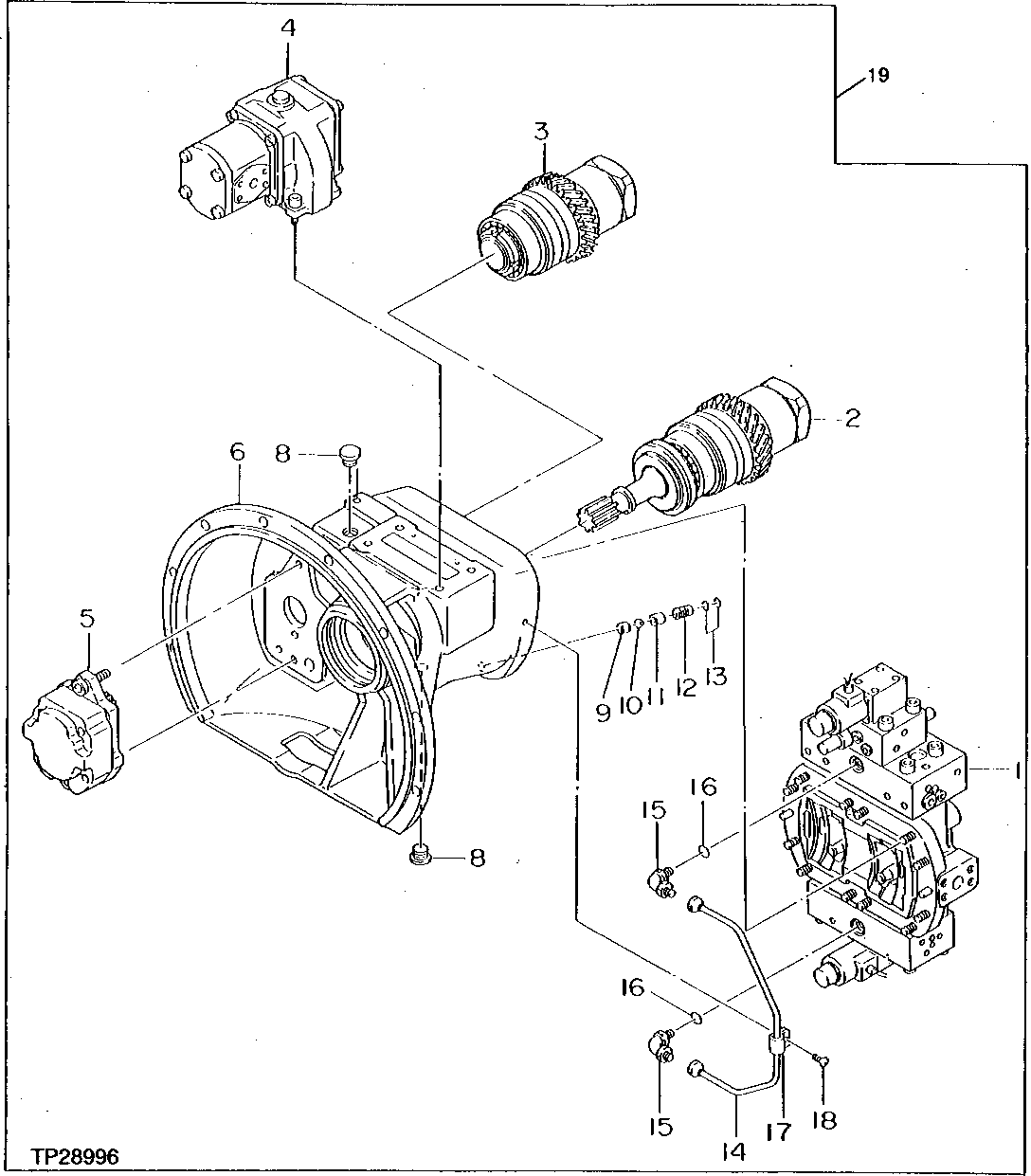
1

VALVE

( AT134139 NO LONGER AVAILABLE)

1шт.

2

VALVE

( AT134075 NO LONGER AVAILABLE)

1шт.

3

VALVE

( AT134076 NO LONGER AVAILABLE)

1шт.

4

4249457

PUMP

(SUB FOR AT134141)

1шт.

5

4383576

HYDRAULIC PUMP

(SUB FOR TH109003 OR 4206916)

1шт.

6

HOUSING

(SUB AT126860)

1шт.

8

TH104732

FITTING PLUG

(SUB FOR 0230126)

2шт.

9

BUSHING

(SUB AT126860)

1шт.

10

T24652

BALL

(SUB FOR TH101450)

1шт.

11

0311601

GUIDE

(SUB FOR TH109004)

1шт.

12

0311602

SLEEVE

(SUB FOR TH109005)

1шт.

13

CH11568

PACKING

2шт.

14

0324101

OIL LINE

(SUB FOR AT133700)

1шт.

15

0324102

ELBOW FITTING

(SUB FOR AT133701)

2шт.

16

M800650

PACKING

2шт.

17

0324103

CLAMP

(SUB FOR AT133702)

1шт.

18

19M8579

SCREW

M6 X 10, (SUB FOR AT133703)

1шт.

19

PUMP

(SUB FOR AT126860) ( 4240877 NO LONGER AVAILABLE)

1шт.

Выбрано товаров: 18