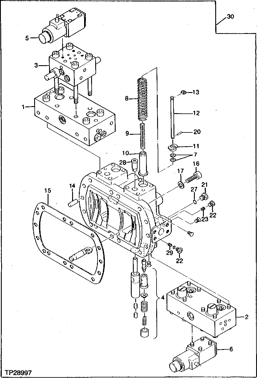
Запчасти John Deere 95D 6 - MAIN PUMP REGULATOR VALVE 2160 - MAIN HYDRAULIC SYSTEM 21

Схема запчастей John Deere 95D - 6 - MAIN PUMP REGULATOR VALVE 2160 - MAIN HYDRAULIC SYSTEM 21
FIT
1:1
100%

Артикул

Название

Примечание

Количество

1

REGULATOR

( AT134070 NO LONGER AVAILABLE)

1шт.

2

4249456

COVER

(SUB FOR AT134140)

1шт.

3

4213107

COVER

(SUB FOR AT134071)

1шт.

4

4213108

HYD ACTUATED CONTROL VALVE

(SUB FOR AT134072)

2шт.

5

4213109

SOLENOID VALVE

(SUB FOR AT134073)

1шт.

6

4213110

SOLENOID VALVE

(SUB FOR AT134074)

1шт.

7

SHIM

(K) ( TH101507 NO LONGER AVAILABLE - SUB KIT)

2шт.

8

0311706

SPRING

(SUB FOR TH109016)

2шт.

9

0311707

SPRING

(SUB FOR TH109017)

2шт.

10

0215007

RETAINER

(SUB FOR TH101435)

2шт.

11

0215008

RETAINER

(SUB FOR TH101436)

2шт.

12

0215013

ROD

(SUB FOR TH101441)

2шт.

13

0215014

WASHER

(SUB FOR TH101442)

2шт.

14

0215018

PIN

(SUB FOR TH101446)

2шт.

15

4621834

PACKING

(SUB FOR TH109011) ( 0311701 NO LONGER AVAILABLE)

1шт.

16

19M8447

SCREW

M10 X 35, (SUB FOR TH101448)

12шт.

17

12M7135

LOCK WASHER

10 MM, (SUB FOR TH101449) (SUB FOR 12M6791)

12шт.

20

0215023

SPRING PIN

(SUB FOR TH101451)

2шт.

21

0215221

PIPE PLUG

(SUB FOR TH101486)

2шт.

22

0215015

FITTING PLUG

(SUB FOR TH101443)

4шт.

4255302

PLUG

(SUB FOR AT130609)

4шт.

4506408

O-RING

(SUB FOR TH101490) (IN CHAMFERED PART OF COVER) (INCLUDED IN AT130609 PLUG)

2шт.

23

0311702

ORIFICE

(SUB FOR TH109012)

2шт.

27

M800650

PACKING

2шт.

28

0311703

RETAINER

(SUB FOR TH109013)

2шт.

29

0324201

ORIFICE

(SUB FOR AT133704)

2шт.

30

VALVE

( AT134139 NO LONGER AVAILABLE)

1шт.

Выбрано товаров: 27