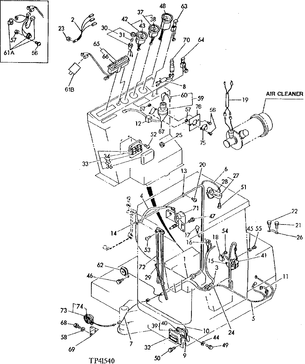
Запчасти John Deere 0 2 - GAUGES, SWITCHES AND LIGHTS 1674 - ELECTRICAL SYSTEM 16

Схема запчастей John Deere 0 - 2 - GAUGES, SWITCHES AND LIGHTS 1674 - ELECTRICAL SYSTEM 16
FIT
1:1
100%

Артикул

Название

Примечание

Количество

1

T110208

WIRING HARNESS

1шт.

T111955

WIRING HARNESS

1шт.

2

T110066

WIRING HARNESS

1шт.

3

T110209

WIRING HARNESS

1шт.

4

T110097

WIRING LEAD

MOTOR (CAB UNITS)

1шт.

5

T110210

WIRING HARNESS

1шт.

6

T110090

WIRING LEAD

ROOM LAMP (CAB UNITS)

1шт.

7

T110211

WIRING LEAD

BOOM LIGHT

1шт.

8

T110091

WIRING LEAD

LIGHTER (CAB UNITS)

1шт.

9

T110067

WIRING LEAD

1шт.

10

T110212

WIRING LEAD

HEAD LIGHT

1шт.

11

T110092

LINK

1шт.

12

T110093

WIRING HARNESS

1шт.

13

T110094

TIE BAND

(CAB UNITS)

12шт.

14

T110095

TIE BAND

4шт.

15

T111030

WIRE

1шт.

16

CH10485

COVER

1шт.

17

CH10492

COVER

1шт.

18

T111402

TIMER

1шт.

19

T111031

WIRE

(CAB UNITS)

1шт.

T111031

WIRE

(CANOPY UNITS)

1шт.

20

CH16054

SCREW

(CAB UNITS)

12шт.

21

19M7166

CAP SCREW

M10 X 20

1шт.

12M7066

LOCK WASHER

10 MM

1шт.

22

12M7058

LOCK WASHER

12 MM, (SUB FOR 12M7067)

1шт.

19M7386

CAP SCREW

M12 X 20

1шт.

23

14M7274

NUT

M10

1шт.

24

T110478

GROMMET

1шт.

25

T110622

GROMMET

1шт.

26

T110624

GROUND CABLE

1шт.

27

AT110000

LAMP

DOME (CAB UNITS)

1шт.

28

57M6511

BULB

(SUB FOR T110016) 12 VOLT - 10 WATT (CAB UNITS)

1шт.

29

TY16302

WIPER BLADE

(SUB FOR T110387) (ALSO ORDER TY16312) (CAB UNITS)

1шт.

30

AT110208

LAMP

AIR HEATER INDICATOR

1шт.

31

T110390

BULB

12 VOLT - 3.4 WATT

1шт.

32

AT110388

COVER

1шт.

33

AT110211

FUSE BOX

1шт.

34

CH11321

FUSE

10 AMPHERE

5шт.

35

AT39227

FUSE

(SUB FOR CH11322 OR T116143) 15 AMPHERE

3шт.

36

T110389

COVER

1шт.

37

AT110008

GAUGE

FUEL

1шт.

38

T111335

BULB

1шт.

39

AT110210

LAMP

HEAD

1шт.

40

CH15208

BULB

1шт.

41

AT212068

RELAY

(USE T111004 UNTIL EXHAUSTED) (SUB FOR T111004) (SAFETY) (WITH 5 WIRES)

1шт.

42

AT110589

TEMPERATURE GAUGE

ENGINE TEMPERATURE

1шт.

43

T111335

BULB

1шт.

44

24M7028

WASHER

10.500 X 20 X 2 MM

2шт.

45

CH10525

WASHER

2шт.

Выбрано товаров: 49