Запчасти John Deere 0 4 - GAUGES, SWITCHES AND LIGHTS 1674 - ELECTRICAL SYSTEM 16

Схема запчастей John Deere 0 - 4 - GAUGES, SWITCHES AND LIGHTS 1674 - ELECTRICAL SYSTEM 16
FIT
1:1
100%

Артикул

Название

Примечание

Количество

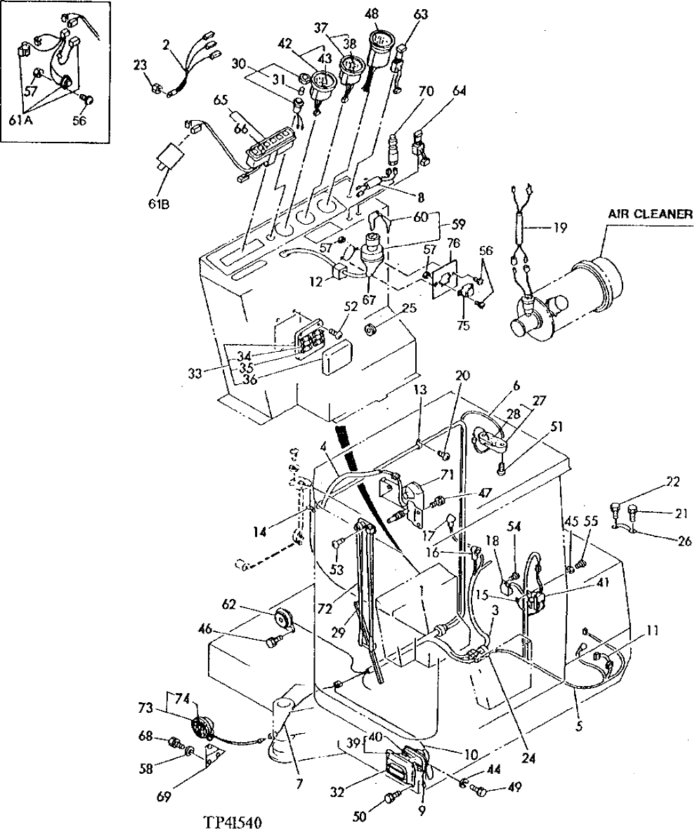
46

CH13781

BOLT

2шт.

47

CH13781

BOLT

(CAB UNITS)

3шт.

48

T110524

HOUR METER

1шт.

49

19M8324

CAP SCREW

M10 X 16, (SUB FOR 19M7557, THIS APPLICATION)

2шт.

12M7066

LOCK WASHER

10 MM

2шт.

50

19M7166

CAP SCREW

M10 X 20

4шт.

12M7066

LOCK WASHER

10 MM

4шт.

51

T110452

SCREW WITH WASHER

(CAB UNITS)

2шт.

52

T111377

SCREW

2шт.

53

T111377

SCREW

(CAB UNITS)

1шт.

54

T110455

SCREW WITH WASHER

1шт.

55

M801342

SCREW WITH WASHER

2шт.

56

T110459

SCREW WITH WASHER

4шт.

T110459

SCREW WITH WASHER

4шт.

57

T110465

NUT

2шт.

T110465

NUT

4шт.

58

CH15392

WASHER

2шт.

59

AT110584

SWITCH

IGNITION

1шт.

60

AT110583

KEY

1шт.

61A

T110529

ELECTRONIC CONTROL UNIT

1шт.

61B

T110530

TIMER

1шт.

62

T110480

HORN

1шт.

63

T110519

SWITCH

LIGHTS

1шт.

64

T110520

SWITCH

WINDSHIELD WIPER (CAB UNITS)

1шт.

65

AT110215

MONITOR CONSOLE

ENGINE INFORMATION

1шт.

AT111780

INSTRUMENT PANEL

(SUB FOR AT110592) (USE IF AVAILABLE)

1шт.

66

T110521

BULB

5шт.

T110521

BULB

3шт.

67

T111336

COVER

1шт.

68

19M7166

CAP SCREW

M10 X 20

2шт.

12M7066

LOCK WASHER

10 MM

2шт.

69

T110069

SUPPORT

1шт.

70

T110525

ELECTRICAL LIGHTER

(CAB UNITS)

1шт.

71

T110527

WIPER MOTOR

(CAB UNITS) WINDSHIELD WIPER

1шт.

72

T110528

ARM

(CAB UNITS)

1шт.

73

AT110009

LAMP

1шт.

74

T110068

BULB

14 VOLT - 60 WATT

1шт.

75

T110992

AUDIBLE WARNING ALARM

1шт.

76

T110285

BRACKET

1шт.

Выбрано товаров: 39