Запчасти John Deere 0 2 - MAIN HYDRAULIC PUMP AND DRIVE 2160 - MAIN HYDRAULIC SYSTEM 21

Схема запчастей John Deere 0 - 2 - MAIN HYDRAULIC PUMP AND DRIVE 2160 - MAIN HYDRAULIC SYSTEM 21
FIT
1:1
100%

Артикул

Название

Примечание

Количество

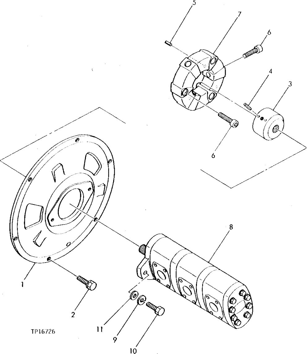
1

T110262

COVER

1шт.

2

19M7402

CAP SCREW

M10 X 25

6шт.

12M7066

LOCK WASHER

10 MM

6шт.

3

T110028

UNIVERSAL JOINT

1шт.

4

34M7117

SPRING PIN

5 X 10 MM, (SUB FOR CH11499)

6шт.

5

34M7030

SPRING PIN

5 X 20 MM, (SUB FOR CH20038)

3шт.

6

CH13541

BOLT

6шт.

7

T110632

COUPLING

1шт.

8

PUMP

( AT110128 NO LONGER AVAILABLE)

1шт.

9

12M7058

LOCK WASHER

12 MM, (SUB FOR 12M7067)

2шт.

10

19M7744

CAP SCREW

M12 X 35

2шт.

11

24M7047

WASHER

13 X 24 X 2.500 MM

2шт.

Выбрано товаров: 12