Запчасти John Deere 0 20 - BOOM CYLINDER 2160 - MAIN HYDRAULIC SYSTEM 21

Схема запчастей John Deere 0 - 20 - BOOM CYLINDER 2160 - MAIN HYDRAULIC SYSTEM 21
FIT
1:1
100%

Артикул

Название

Примечание

Количество

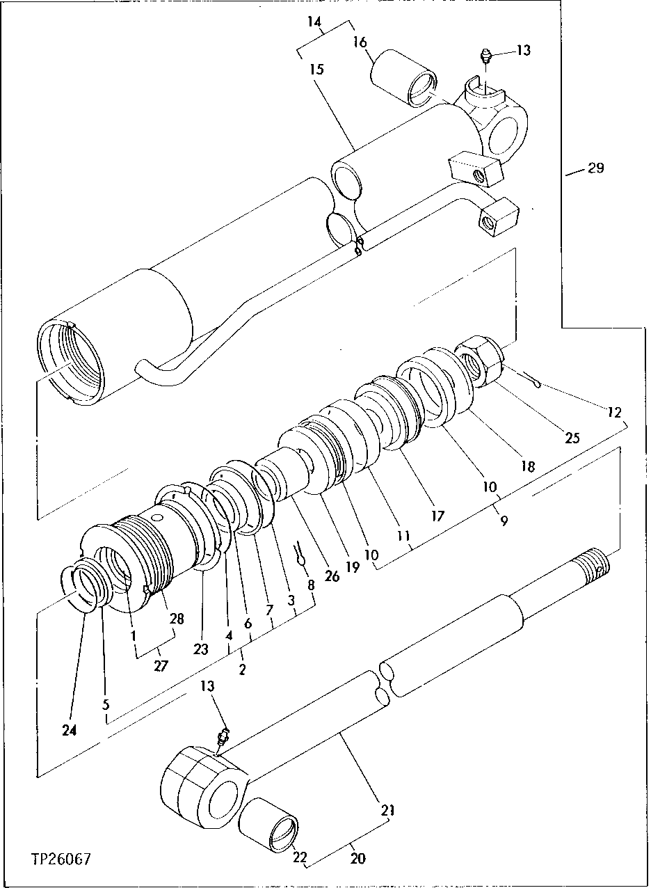
1

T110572

BUSHING

1шт.

2

AT110352

SEAL KIT

1шт.

3

T110436

O-RING

1шт.

4

AT264320

O-RING

(SUB FOR T110448)

1шт.

5

T110558

SEAL

1шт.

6

T110560

PACKING

1шт.

7

T110585

BACK-UP RING

1шт.

8

11M7100

COTTER PIN

6.300 X 80 MM, (SUB FOR T110421)

1шт.

9

AT110353

SEAL KIT

1шт.

10

T110566

PACKING

2шт.

11

T110576

RING

1шт.

12

11M7100

COTTER PIN

6.300 X 80 MM, (SUB FOR T110421)

1шт.

13

TH100074

LUBRICATION FITTING

(SUB FOR T110449 OR CH11575)

2шт.

14

AT110354

HYDRAULIC CYLINDER BARREL

1шт.

15

HYDRAULIC CYLINDER BARREL

(SUB AT110354)

1шт.

16

T110960

BUSHING

1шт.

17

T110537

PISTON

1шт.

18

T110543

GASKET

1шт.

19

T110544

GASKET

1шт.

20

T110961

ROD

1шт.

21

ROD

(SUB T110961)

1шт.

22

T110960

BUSHING

1шт.

23

T110549

WASHER

1шт.

24

T110551

RING

1шт.

25

T110554

NUT

1шт.

26

T110570

PLUNGER

1шт.

27

AT110238

CYLINDER HEAD

1шт.

28

HYDR. CYLINDER ROD GUIDE

(SUB AT110238)

1шт.

29

AT110351

HYDRAULIC CYLINDER

1шт.

Выбрано товаров: 0