Запчасти John Deere 0 4 - SWING MOTOR 4360 - SWING, ROTATION OR PIVOTING SYSTEM 43

Схема запчастей John Deere 0 - 4 - SWING MOTOR 4360 - SWING, ROTATION OR PIVOTING SYSTEM 43
FIT
1:1
100%

Артикул

Название

Примечание

Количество

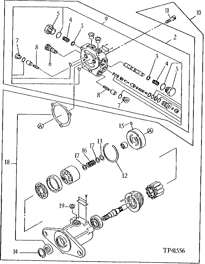
1

15H666

PIPE PLUG

3/8"

2шт.

2

AT110475

HYD ACTUATED CONTROL VALVE

1шт.

3

T111070

PLATE

2шт.

4

T111071

SPRING

2шт.

5

T111081

CAP

2шт.

6

AT110476

HYD ACTUATED CONTROL VALVE

2шт.

7

T111080

PLUG

2шт.

8

T111079

SPRING

2шт.

9

AT110430

SEAL KIT

1шт.

10

AT110004

HYDRAULIC MOTOR

1шт.

11

T111072

BOLT

3шт.

12

T111073

RING

1шт.

13

T111074

RING

1шт.

14

T111075

RING

1шт.

15

T111076

PIN

1шт.

16

T111077

SPRING

1шт.

17

T111078

WASHER

2шт.

18

AT110428

SEAL KIT

1шт.

19

MOTOR

( AT110130 NO LONGER AVAILABLE) (NOT ILLUSTRATED) (CONTAINS ALL ITEMS LISTED ON THIS PAGE)

1шт.

Выбрано товаров: 19