Запчасти John Deere 0 2 - ENGINE TIMING GEAR COVER 402 - ENGINE 4

Схема запчастей John Deere 0 - 2 - ENGINE TIMING GEAR COVER 402 - ENGINE 4
FIT
1:1
100%

Артикул

Название

Примечание

Количество

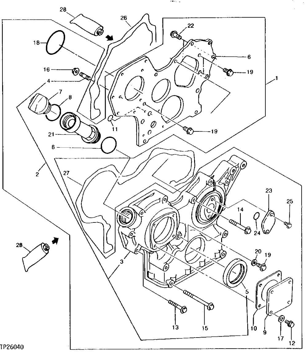
1

AT110613

HOUSING

1шт.

2

AM875303

COVER

1шт.

3

COVER

(SUB AT110613)

1шт.

4

CH15722

STUD

3шт.

5

M800988

SEAL

1шт.

6

M800989

PLATE

1шт.

7

M805710

FILLER CAP

(SUB FOR CH10332)

1шт.

8

M805711

PACKING

(SUB FOR CH15414)

2шт.

9

CH18096

COVER

1шт.

10

M805696

GASKET

(SUB FOR CH12816)

1шт.

11

CH10570

PACKING

2шт.

12

CH19137

BOLT

4шт.

13

CH19101

BOLT

6шт.

14

CH19090

BOLT

3шт.

15

CH19136

BOLT

4шт.

16

14M7298

FLANGE NUT

M8

3шт.

17

M803523

WASHER

(SUB FOR CH10645 AND M806424)

4шт.

18

CH16940

O-RING

1шт.

19

19M7865

SCREW

M8 X 16

4шт.

20

M803523

WASHER

(SUB FOR CH10645 AND M806424)

1шт.

21

M800990

EXTENSION

1шт.

22

19M7866

SCREW

M8 X 20

2шт.

23

M87874

COVER

1шт.

24

CH17653

PACKING

1шт.

25

19M7774

SCREW

M6 X 12

2шт.

26

GASKET

(MAKE FROM M64850)

1шт.

27

GASKET

(MAKE FROM M64850)

1шт.

28

M64850

SEALANT

ARшт.

Выбрано товаров: 0