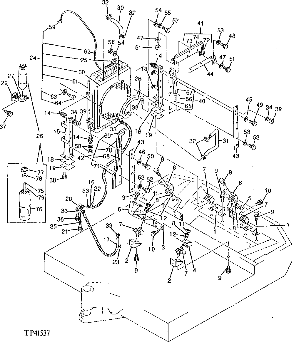
Запчасти John Deere 0 2 - ENGINE MOUNTS AND RADIATOR 540 - ENGINE AUXILIARY SYSTEM 5

Схема запчастей John Deere 0 - 2 - ENGINE MOUNTS AND RADIATOR 540 - ENGINE AUXILIARY SYSTEM 5
FIT
1:1
100%

Артикул

Название

Примечание

Количество

1

AT110087

SUPPORT

2шт.

2

AT110088

SUPPORT

2шт.

3

AT110089

BRACKET

1шт.

4

AT110090

BRACKET

1шт.

5

AT110091

SUPPORT

1шт.

6

T110197

BRACKET

3шт.

7

T110064

CUSHION

4шт.

8

12M7058

LOCK WASHER

12 MM, (SUB FOR 12M7067)

8шт.

9

19M7402

CAP SCREW

M10 X 25

14шт.

12M7066

LOCK WASHER

10 MM

14шт.

10

12M7058

LOCK WASHER

12 MM, (SUB FOR 12M7067)

16шт.

19M7268

CAP SCREW

M12 X 25

16шт.

11

14M7275

NUT

M12

8шт.

12

T110588

WASHER

4шт.

13

AT110092

BRACKET

1шт.

14

T110206

ISOLATOR

4шт.

15

AT110093

SUPPORT

1шт.

16

T110198

HOSE

1шт.

17

T110199

HOSE

1шт.

18

SHIM

NO LONGER AVAILABLE

1шт.

19

SHIM

NO LONGER AVAILABLE

1шт.

20

T110997

HYD ACTUATED CONTROL VALVE

(SUB FOR T110202)

1шт.

21

T110203

PLUG

1шт.

22

T110204

TUBE

1шт.

23

T110205

TUBE

1шт.

24

AT111783

RADIATOR

(SUB FOR AT110317)

1шт.

25

CH18207

FILLER CAP

(SUB FOR T110797 OR CH10427)

1шт.

26

T110798

TANK

1шт.

27

CH10425

CLAMP

1шт.

28

AT111784

GUARD

(SUB FOR T110799)

1шт.

29

T110800

BRACKET

1шт.

30

T110733

HOSE

1шт.

31

T110734

HOSE

1шт.

32

T110735

CLAMP

4шт.

33

TY22462

CLAMP

(SUB FOR AR48236)

4шт.

34

12M7056

LOCK WASHER

8 MM, (SUB FOR 12M7065)

8шт.

35

CH10570

PACKING

1шт.

36

19M7932

CAP SCREW

M8 X 16

2шт.

12M7056

LOCK WASHER

8 MM, (SUB FOR 12M7065)

2шт.

37

19M7932

CAP SCREW

M8 X 16, (SUB FOR 19M7162)

2шт.

12M7056

LOCK WASHER

8 MM, (SUB FOR 12M7065)

2шт.

38

19M7402

CAP SCREW

M10 X 25

4шт.

12M7066

LOCK WASHER

10 MM

4шт.

39

14M7273

NUT

M8

8шт.

40

AT110121

ISOLATOR

1шт.

41

T110801

ISOLATOR

1шт.

42

AT110123

ISOLATOR

1шт.

43

T110249

ISOLATOR

2шт.

44

T110250

ISOLATOR

1шт.

45

24M7095

WASHER

8.400 X 15 X 1.600 MM

3шт.

46

24M7095

WASHER

8.400 X 15 X 1.600 MM

3шт.

47

24M7095

WASHER

8.400 X 15 X 1.600 MM

2шт.

48

19M7932

CAP SCREW

M8 X 16

5шт.

12M7056

LOCK WASHER

8 MM, (SUB FOR 12M7065)

5шт.

49

19M7881

SCREW

M8 X 20

3шт.

12M7056

LOCK WASHER

8 MM, (SUB FOR 12M7065)

3шт.

50

19M7881

SCREW

M8 X 20

3шт.

12M7056

LOCK WASHER

8 MM, (SUB FOR 12M7065)

3шт.

51

19M7881

SCREW

M8 X 20

2шт.

12M7056

LOCK WASHER

8 MM, (SUB FOR 12M7065)

2шт.

52

19M7881

SCREW

M8 X 20

5шт.

12M7056

LOCK WASHER

8 MM, (SUB FOR 12M7065)

5шт.

53

T110587

WASHER

(SUB FOR T110802)

10шт.

54

24M7055

WASHER

8.400 X 16 X 1.600 MM

6шт.

55

12M7056

LOCK WASHER

8 MM, (SUB FOR 12M7065)

3шт.

56

14M7273

NUT

M8

3шт.

57

19M7881

SCREW

M8 X 20

3шт.

58

24M7149

WASHER

10.500 X 30 X 2.500 MM

4шт.

59

CH12782

HOSE CLAMP

2шт.

60

T114150

SHROUD

1шт.

61

RADIATOR

( T114151 NO LONGER AVAILABLE)

1шт.

Выбрано товаров: 71