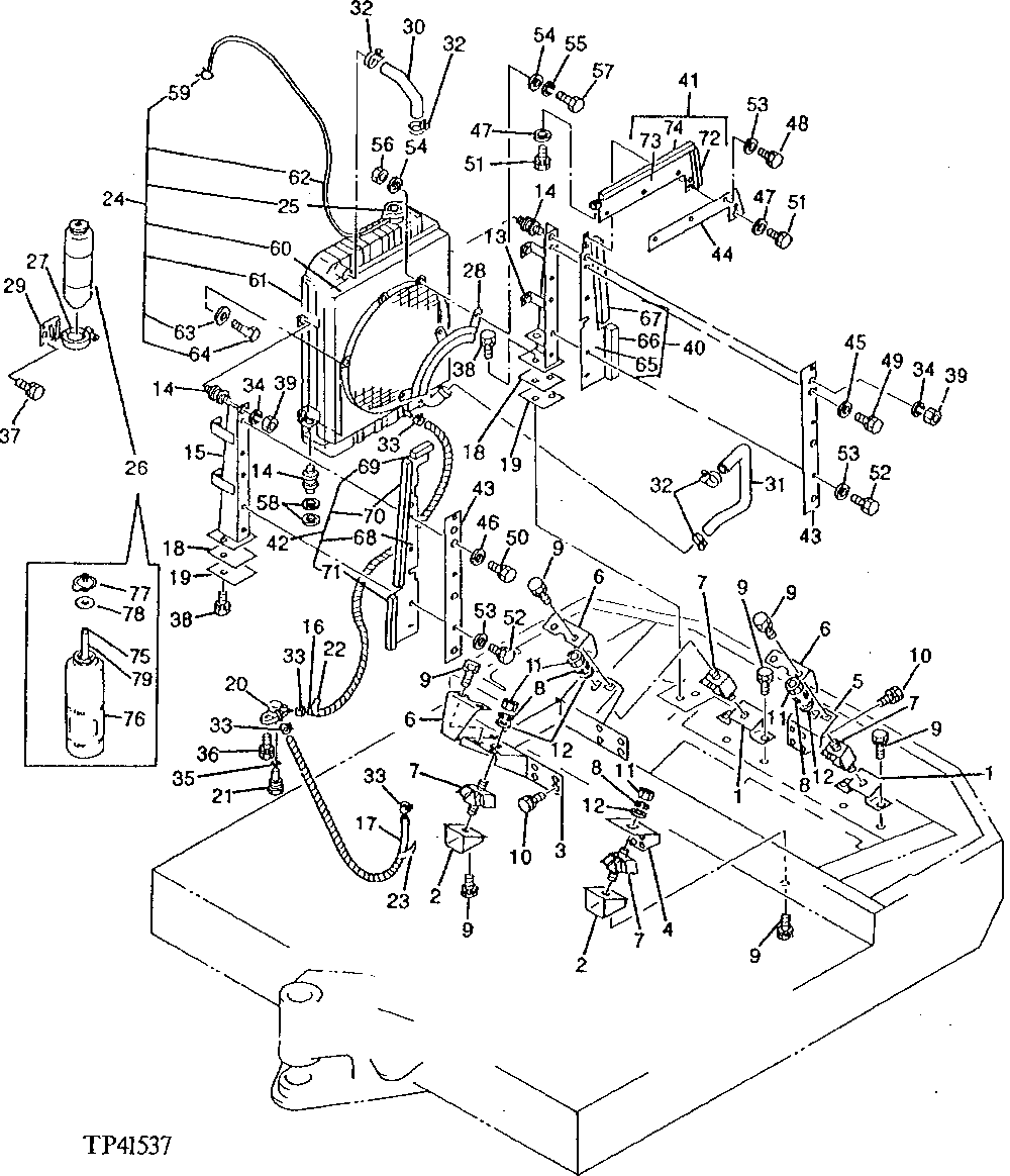
Запчасти John Deere 0 4 - ENGINE MOUNTS AND RADIATOR 540 - ENGINE AUXILIARY SYSTEM 5

Схема запчастей John Deere 0 - 4 - ENGINE MOUNTS AND RADIATOR 540 - ENGINE AUXILIARY SYSTEM 5
FIT
1:1
100%

Артикул

Название

Примечание

Количество

62

T114152

HOSE

1шт.

63

12M7006

LOCK WASHER

6 MM

4шт.

64

19M7923

CAP SCREW

M6 X 12

4шт.

65

AT110122

PLATE

1шт.

66

T110243

ISOLATOR

1шт.

67

T110244

ISOLATOR

1шт.

68

AT110124

PLATE

1шт.

69

T110246

ISOLATOR

1шт.

70

T110247

ISOLATOR

1шт.

71

T110248

ISOLATOR

1шт.

72

ISOLATOR

( T110245 NO LONGER AVAILABLE)

1шт.

73

PLATE

( T114144 NO LONGER AVAILABLE)

1шт.

74

ISOLATOR

( T114145 NO LONGER AVAILABLE)

1шт.

75

CH10426

RETAINER

1шт.

76

HOUSING

(SUB T110798)

1шт.

77

CAP

( T111611 NO LONGER AVAILABLE)

1шт.

78

GASKET

( T114261 NO LONGER AVAILABLE)

1шт.

79

T111614

OIL LINE

1шт.

Выбрано товаров: 0