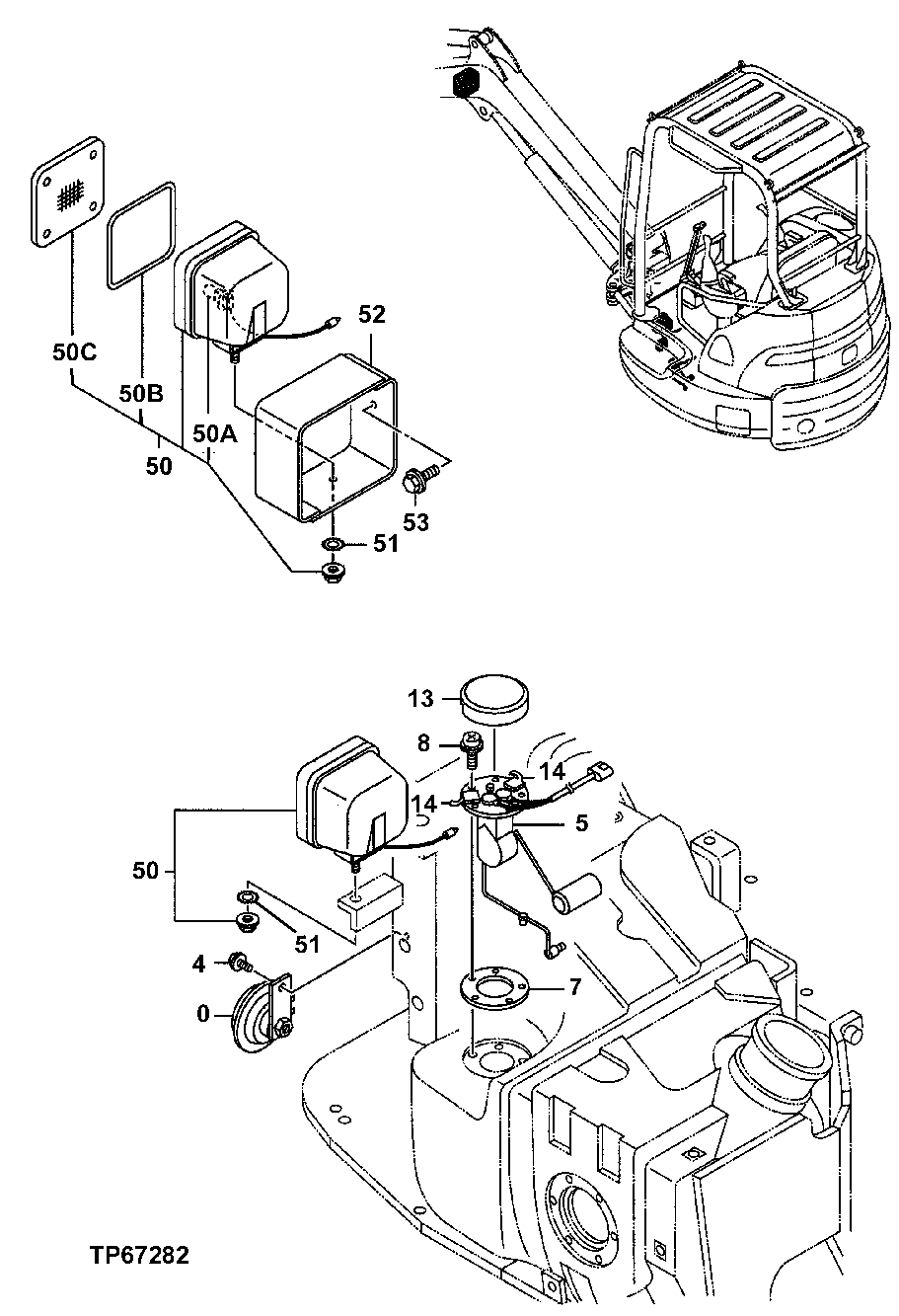
Запчасти John Deere 0C ZTS 60 - WORK LIGHTS, HORN AND FUEL SENDER 1673 Vehicle Lighting System

Схема запчастей John Deere 0C ZTS - 60 - WORK LIGHTS, HORN AND FUEL SENDER 1673 Vehicle Lighting System
FIT
1:1
100%

Артикул

Название

Примечание

Количество

0

4349452

Horn

1шт.

4603107

Horn

1шт.

4

19M7932

Cap Screw

M8 X 16 SUB FOR J090816

1шт.

24M7055

Washer

8.400 X 16 X 1.600 mm

1шт.

Washer

12M7065 NLA

1шт.

5

4424451

Fuel Sender

1шт.

7

4376524

Gasket

1шт.

8

19M7640

Cap Screw

M5 X 12

5шт.

12M7064

Lock Washer

5 mm

5шт.

13

4432968

Cover

1шт.

14

4348817

Clip

2шт.

50

4361457

Lamp

2шт.

50A

AT130104

Bulb

SUB FOR 4375215

1шт.

50B

4428123

Gasket

1шт.

50C

4428124

Lens

1шт.

51

12M7032

Lock Washer

8.400 mm SUB FOR 4383077

2шт.

52

4457415J

Guard

SUB FOR 4457415

1шт.

53

J051230

Bolt

1шт.

Выбрано товаров: 18