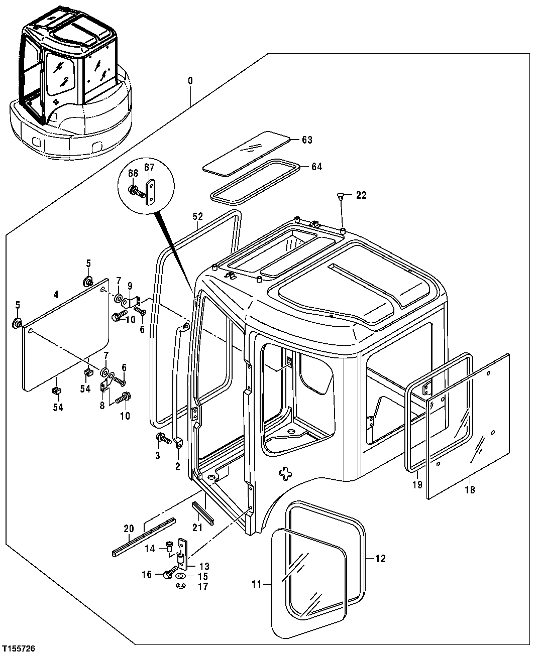
Запчасти John Deere 0C ZTS 78 - CAB COMPONENTS (LEFT, REAR AND ROOF WINDOWS AND HANDRAIL) 1813 Body Sides, Doors, Shields And Glazing

Схема запчастей John Deere 0C ZTS - 78 - CAB COMPONENTS (LEFT, REAR AND ROOF WINDOWS AND HANDRAIL) 1813 Body Sides, Doors, Shields And Glazing
FIT
1:1
100%

Артикул

Название

Примечание

Количество

0

9203820

Cab

(SUB FOR 4454007)(CONTAINS ALL IT EMS ON THIS PAGE) (ADDITIONAL COMP ONENTS LISTED ON FOLLOWING PAGES)

1шт.

2

4483438

Grip

1шт.

3

CC22170

Screw

M10 X 16 (SUB FOR 4424764)

2шт.

4

4424665

Windowpane

1шт.

5

4424666

Nut

2шт.

6

4424757

Cap Screw

2шт.

7

4424667

Isolator

2шт.

8

4483439

Plate

1шт.

9

4483440

Plate

1шт.

10

19M9007

Screw

M6 X 12 (SUB FOR 4425821)

4шт.

11

4424669

Windowpane

1шт.

12

4424670

Weatherstrip

1шт.

13

4483443

Bracket

2шт.

14

4424736

Bushing

2шт.

15

24M7047

Washer

13 X 24 X 2.500 mm (SUB FOR 4424768)

2шт.

16

CC22170

Screw

M10 X 16 (SUB FOR 4424764)

4шт.

17

4424769

Snap Ring

2шт.

18

4425841

Windowpane

1шт.

19

4425842

Weatherstrip

1шт.

20

4476218

Isolator

1шт.

21

4476219

Isolator

1шт.

22

4476222

Cap

4шт.

52

4424691

Weatherstrip

1шт.

54

4424693

Stop

2шт.

63

4425827

Windowpane

1шт.

64

4425828

Weatherstrip

1шт.

87

4424711

Plate

1шт.

88

19M8425

Cap Screw

M6 X 16 (SUB FOR 4380957, J 090616, J020616 OR TH111223)

2шт.

12M7006

Lock Washer

6 mm

2шт.

24M7054

Washer

6.400 X 12 X 1.600 mm

2шт.

Выбрано товаров: 30