Качественные детали и логистика
Оригинальные и аналоговые запчасти с доставкой по России, Казахстану и Беларуси
©2022 PartSell ООО "Система" ИНН 2463123282 ОГРН 1212400004838
Центральный офис: г. Красноярск, Академика Киренского, д.87, пом.4
Телефон: 8 (800) 777-65-74 Email: zakaz@partsell.ru
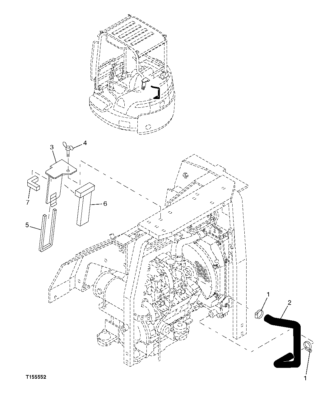
92 - CANOPY HEATER SUPPORT
№
Артикул
Название
Примечание
Количество
1
TY22470
Clamp
2шт.
2
3085645
Radiator Hose
1шт.
3
9757894
Cover
4
21M7243
Wing Screw
M8 X 16
5
4468100
Isolator
6
4468106
7
4478973
Выбрано товаров: 0