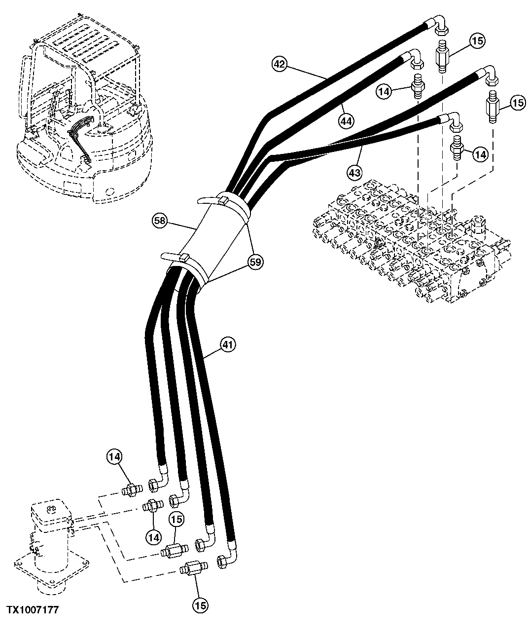
Запчасти John Deere 0C ZTS 115 - ROTARY MANIFOLD AND MAIN CONTROL VALVE HOSES (SN 005218- ) (005218 - ) 2163 HYD LINES & HOSES

Схема запчастей John Deere 0C ZTS - 115 - ROTARY MANIFOLD AND MAIN CONTROL VALVE HOSES (SN 005218- ) (005218 - ) 2163 HYD LINES & HOSES
FIT
1:1
100%

Артикул

Название

Примечание

Количество

14

4042031

Adapter Fitting

4шт.

CH11570

O-Ring

1шт.

15

4368210

Adapter Fitting

4шт.

CH11570

O-Ring

1шт.

41

4476408

Hydraulic Hose

1шт.

42

4476503

Hydraulic Hose

1шт.

43

4476504

Hydraulic Hose

1шт.

44

4476505

Hydraulic Hose

1шт.

58

4370544

Sheet

(RUBBER)

1шт.

59

H77698

Tie Band

(SUB FOR 4055312)

2шт.

Выбрано товаров: 0