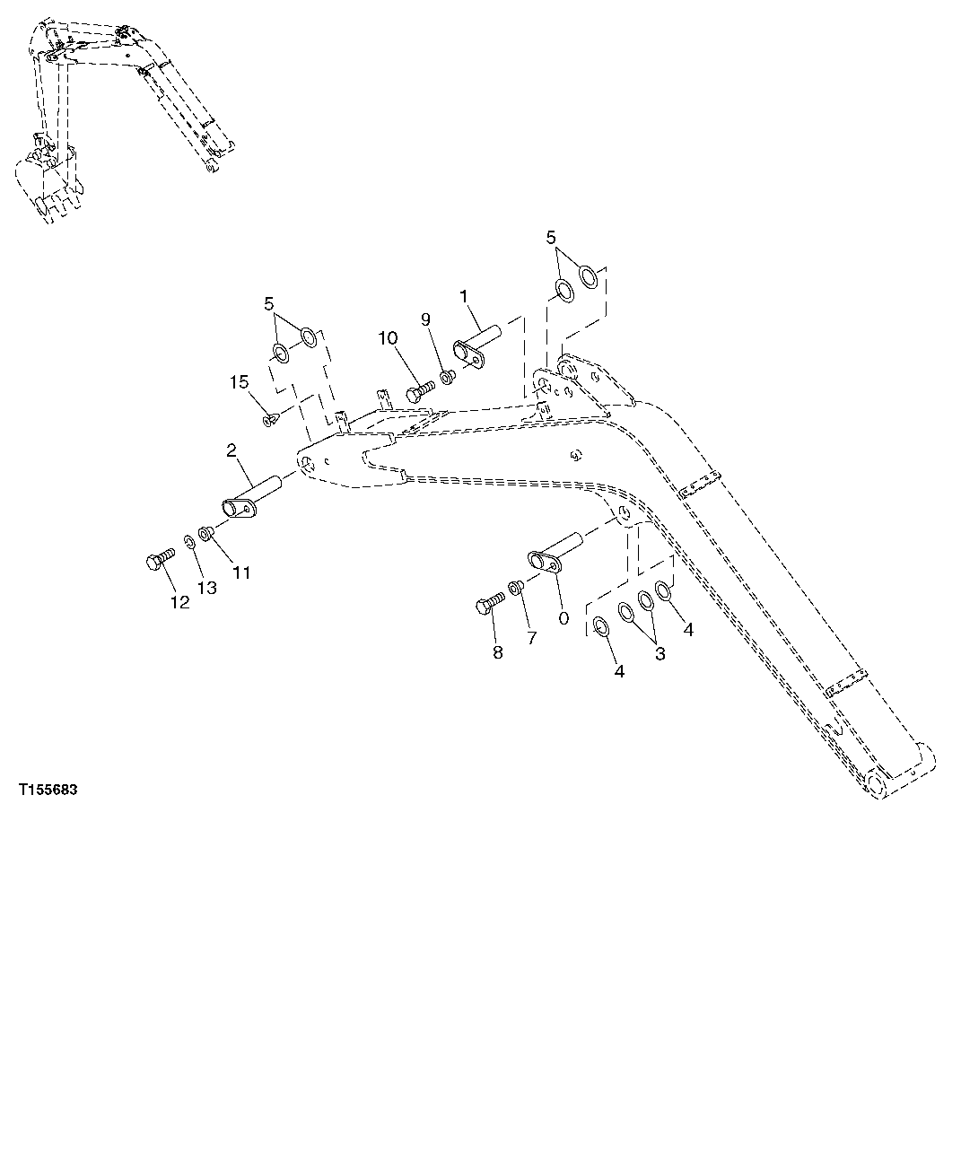
Запчасти John Deere 0C ZTS 162 - BOOM SUPPORT 3344 Boom

Схема запчастей John Deere 0C ZTS - 162 - BOOM SUPPORT 3344 Boom
FIT
1:1
100%

Артикул

Название

Примечание

Количество

0

9758064

Pin Fastener

1шт.

1

9758095

Pin Fastener

1шт.

2

9758093

Pin Fastener

1шт.

3

4367635

Shim

2шт.

4

4367636

Shim

2шт.

5

4377897

Solid Shim

6шт.

6

4377899

Shim

(NOT ILLUSTRATED)

4шт.

7

4339354

Bushing

1шт.

8

19M8011

Cap Screw

M12 X 30

1шт.

12H301

Lock Washer

1/2"

1шт.

24M7047

Washer

13 X 24 X 2.500 mm

1шт.

9

4339355

Bushing

1шт.

10

19M7877

Cap Screw

M14 X 30

1шт.

11

4349716

Bushing

1шт.

12

19M7489

Cap Screw

M16 X 45

1шт.

13

12M7069

Lock Washer

16 mm

1шт.

15

4387681

Pipe Plug

5шт.

Выбрано товаров: 17