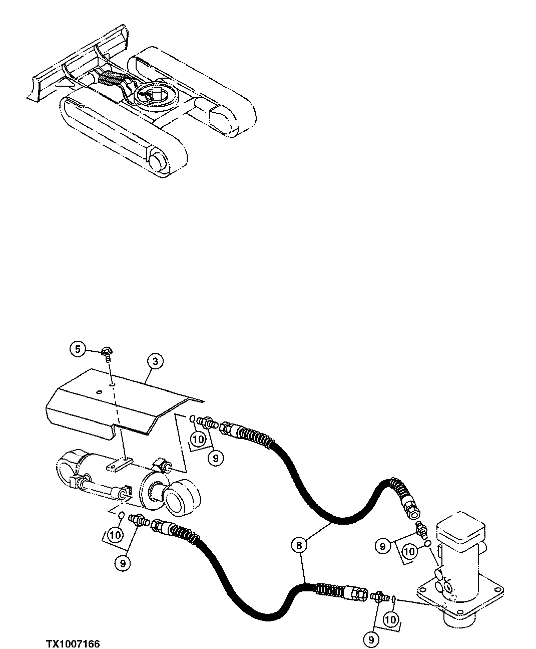
Запчасти John Deere 0C ZTS 192 - Rotary Manifold Lines 3363 LINES, HOSES & FITTINGS

Схема запчастей John Deere 0C ZTS - 192 - Rotary Manifold Lines 3363 LINES, HOSES & FITTINGS
FIT
1:1
100%

Артикул

Название

Примечание

Количество

0

4042031

Adapter Fitting

4шт.

0A

CH11570

O-Ring

1шт.

3

3087595

Cover

1шт.

5

19M7938

Cap Screw

M10 X 20 SUB FOR J051020

2шт.

24M7096

Washer

10.500 X 18 X 1.600 mm

2шт.

12M7066

Lock Washer

10 mm

2шт.

8

4418594

Hydraulic Hose

2шт.

9

4042031

Adapter Fitting

2шт.

10

4622346

O-Ring

SUB FOR 4674883, 4509180

2шт.

Выбрано товаров: 9