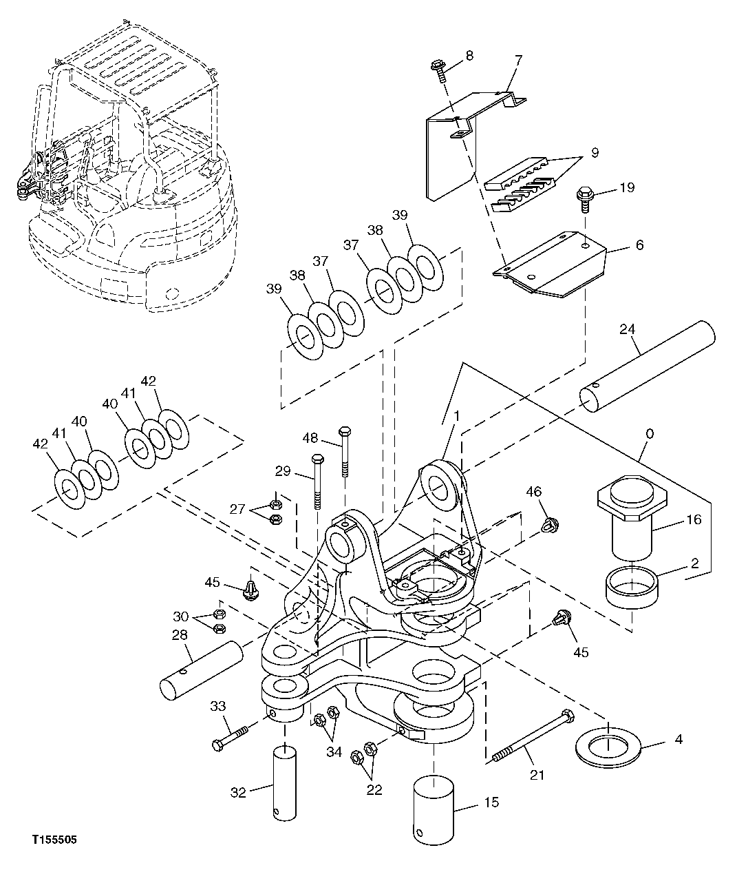
Запчасти John Deere 0C ZTS 206 - Swing Post 4353 SWING BEARING & MOUNTING

Схема запчастей John Deere 0C ZTS - 206 - Swing Post 4353 SWING BEARING & MOUNTING
FIT
1:1
100%

Артикул

Название

Примечание

Количество

0

8088369

Frame

1шт.

1

Frame

( 0003415 NLA)

1шт.

2

4416305

Bushing

1шт.

4

4332769

Thrust Ring

1шт.

6

8087889

Cover

1шт.

7

3085237

Cover

1шт.

8

19M7881

Screw

M8 X 20

2шт.

12M7056

Lock Washer

8 mm

2шт.

24M7036

Washer

9 X 16 X 1.600 mm

2шт.

9

4427927

Half Clamp

2шт.

15

4433681

Pin Fastener

1шт.

16

9752211

Pin

1шт.

19

J051230

Bolt

2шт.

21

J901414

Bolt

(SUB FOR J971414)

1шт.

22

14M7435

Nut

M14

2шт.

24

4416302

Pin Fastener

1шт.

27

14M7275

Nut

M12

2шт.

28

4416301

Pin Fastener

1шт.

29

19M8093

Cap Screw

M10 X 100

1шт.

30

14M7274

Nut

M10

2шт.

32

4331965

Pin

1шт.

33

J901095

Bolt

1шт.

34

14M7274

Nut

M10

2шт.

37

4354256

Shim

0.5 MM (.020 IN.)

2шт.

38

4354257

Shim

0.8 MM (.031 IN.)

2шт.

39

4354258

Shim

1.0 MM (.040 IN.)

2шт.

40

4352136

Shim

0.9 MM (.035 IN.)

2шт.

41

4354259

Shim

0.8 MM (.031 IN.)

2шт.

42

4354260

Shim

1.0 MM (.040 IN.)

2шт.

45

4288579

Plug

4шт.

46

4361804

Plug

3шт.

48

19M7949

Cap Screw

M12 X 100

1шт.

Выбрано товаров: 32